EasyManua.ls Logo

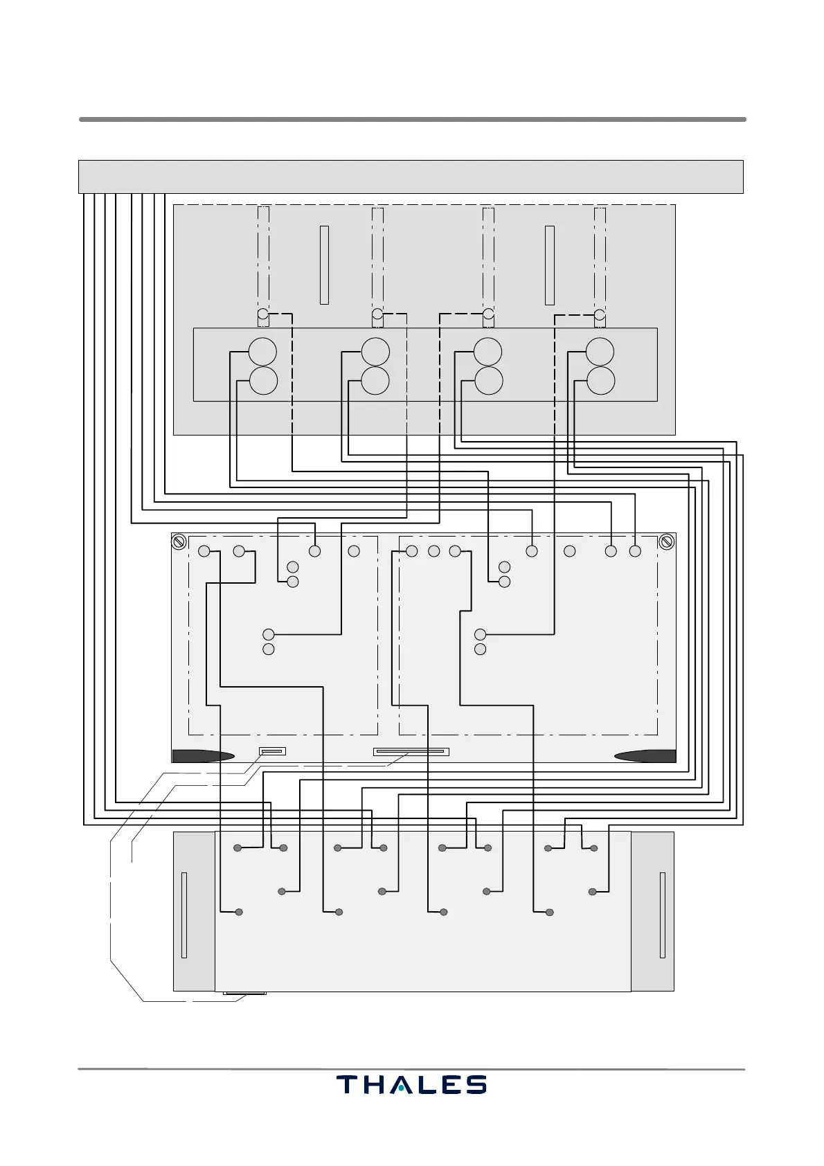
Thales 421 - Fig. 2−24 Rf−Cabling Transmitter Rack (Example LLZ−2 F), Without SYN RF Cabling

Thales 421
256 pages
Print Icon
To Next Page IconTo Next Page
To Next Page IconTo Next Page
To Previous Page IconTo Previous Page
To Previous Page IconTo Previous Page
Loading...
LLZ 421
Operation and Maintenance Installation
ILS 420
2−25Ed. 01.04
SOAC
BP MODPA
J1 J2
XMTR1
XMTR2
TX2
TX1
SBO
CSB
SBO
CSB
SBO
CSB
CRS
CLR CLR
SBO
CSB
CRS
CLRSBO
stby SBO
IN1
OUT
J10 J12
J11
J28
J7 J9
J8
J27
J4 J6
J5
J26
J1 J3
J2
J25
CLRCSB CRSSBO CRSCSB
IN2
IN1
OUT
IN2
IN1
OUT
IN2
IN1
OUT
IN2
stby CSB stby SBO stby CSB
J31
J10J9J8J7
J4
J1
J3
J5
J2J47J6J17J18J16J12
J13
J15
J14
J11
J20
RFcwCLR TX1
RFcwCRS TX1
RFcwCRS TX2 RFcwCLR TX2
J21
StbyStby CLR Width (1)
CLR*
NFMCRS Posn.
CSB*
CLR CSB CLR SBO
CRS Width
SBO*
Stby
CRS CSB
Stby
CRS SBO
J7 J7 J7
J7
SOAC rear
PIN−Diode Transfer Switch, rear
transmitter rack, connector panel on top
J9 J25J27
HF out
J2J8 J1
HF in
J29 J28
W12
W11
W10
W9
W6
W5
W8
W7
W36 W34
W33
W35
W30
W27
W29
W31
W34
W33
W36
W35
W16
W15
W14 W13
W8
W12
W7
W11
W6
W10
W5
W9
W45
W44
W43
W24
W42
J18/BP−Digital
W37
to
MODPA 2 CLR
MODPA 2 CRS
MODPA 1 CLR
CRS CLR
CLR Width
NFM (1)
CRS Width/SBO*
CRS Posn./CSB*
* with
LPD−antenna
MODPA 1 CRS
Fig. 2−24 RF−cabling transmitter rack (example LLZ−2F), without SYN RF cabling
Ed. 01.10

Table of Contents