EasyManua.ls Logo

Triconex Trident - Page 107

Default Icon
274 pages
Print Icon
To Next Page IconTo Next Page
To Next Page IconTo Next Page
To Previous Page IconTo Previous Page
To Previous Page IconTo Previous Page
Loading...
Input/Output Modules 91
Chapter 3 System Description
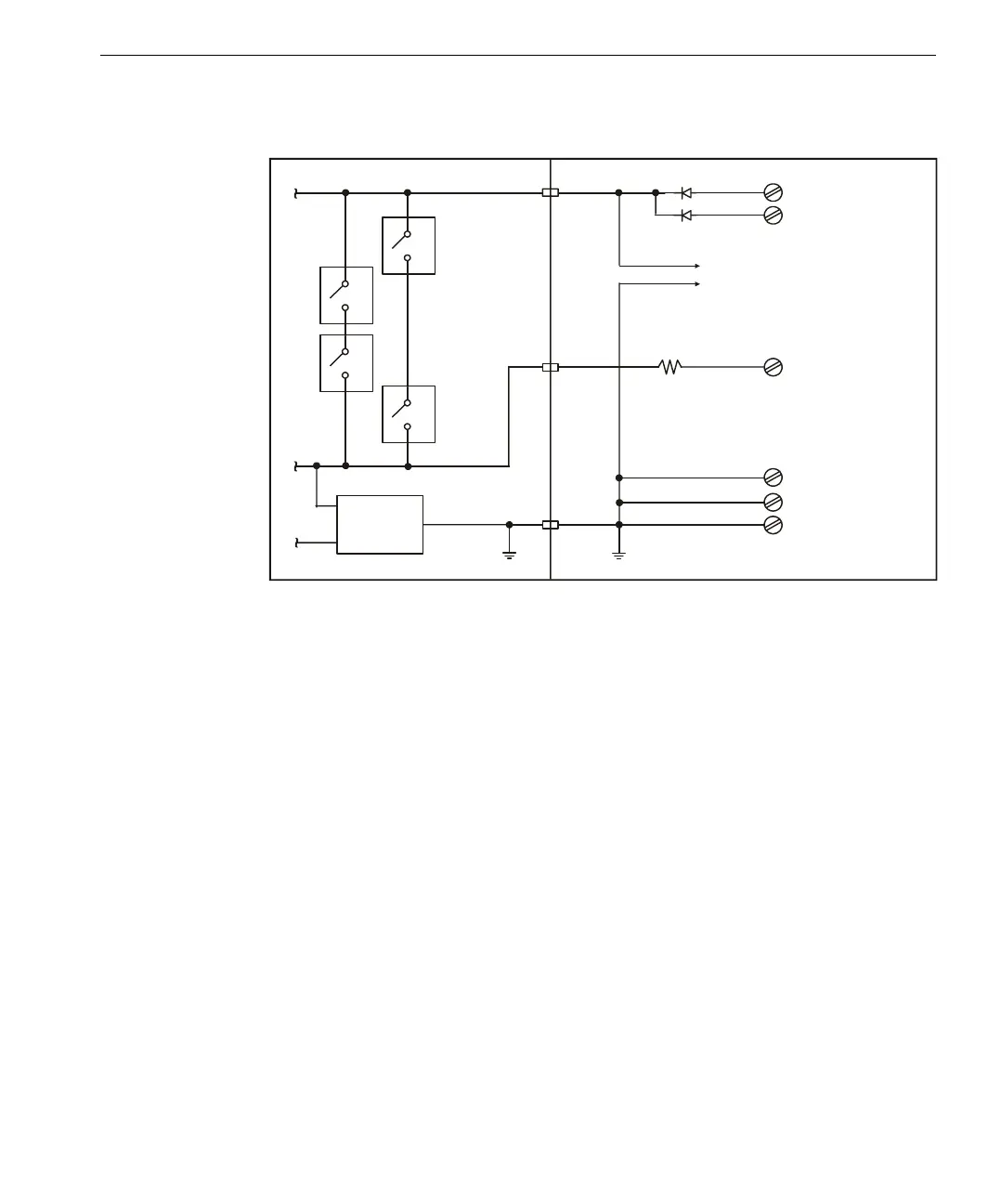
Model 2401 Digital Output Baseplate Simplified Schematic
180
Load +
Load –
Field Power (PS1)
Field Power (PS1)
Field Power (PS2)
Field Power (PS2)
To
Other
Points
Voltage
Loopback
Detector
DO Baseplate
16-Point DO Module
A
C
B
A
or
C

Table of Contents