EasyManua.ls Logo

Triconex Trident - Connecting to Signal Ground

Default Icon
274 pages
Print Icon
To Next Page IconTo Next Page
To Next Page IconTo Next Page
To Previous Page IconTo Previous Page
To Previous Page IconTo Previous Page
Loading...
152 Effective Grounding Methods
Trident Planning and Installation Guide
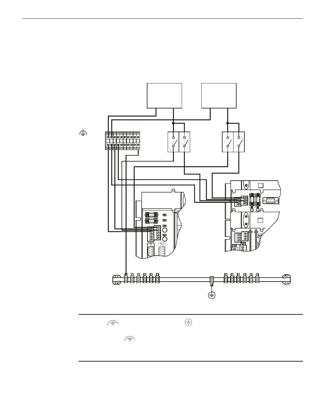
Connecting to Signal Ground
The internal signal grounds (logic and field) are allowed to float with respect to the
safety ground. In most installations, it is best to tie the signal ground and safety
ground together at one and only one point.
Notes L should be connected to at one and only one place for the entire
system, including IO bus extensions up to 200 meters (650 feet) from the MP.
Alternatively, L can be connected to a DCS master reference ground or other
quiet earth. In simple environments, logic and field power can be combined and
treated as one ground system.
Grounding Logic
Power
Distribution
Block
MP
Baseplate
Typical I/O
Baseplate
Power
Disconnect
Power
Disconnect
Power
Supply 1
Power
Supply 2
––++
L
J5
1
2
1
+
DSP1
DSP2
DSP3
DSP4
Protective Earth
Safet
y
Ground
()
Extender

Table of Contents