EasyManua.ls Logo

Triconex Trident - Logic Power

Default Icon
274 pages
Print Icon
To Next Page IconTo Next Page
To Next Page IconTo Next Page
To Previous Page IconTo Previous Page
To Previous Page IconTo Previous Page
Loading...
Controller Architecture 15
Chapter 1 Theory of Operation
The SRO Module is a non-triplicated module for use on non-critical points which
are not compatible with high-side, solid-state output switches; for example,
interfacing with annunciator panels.
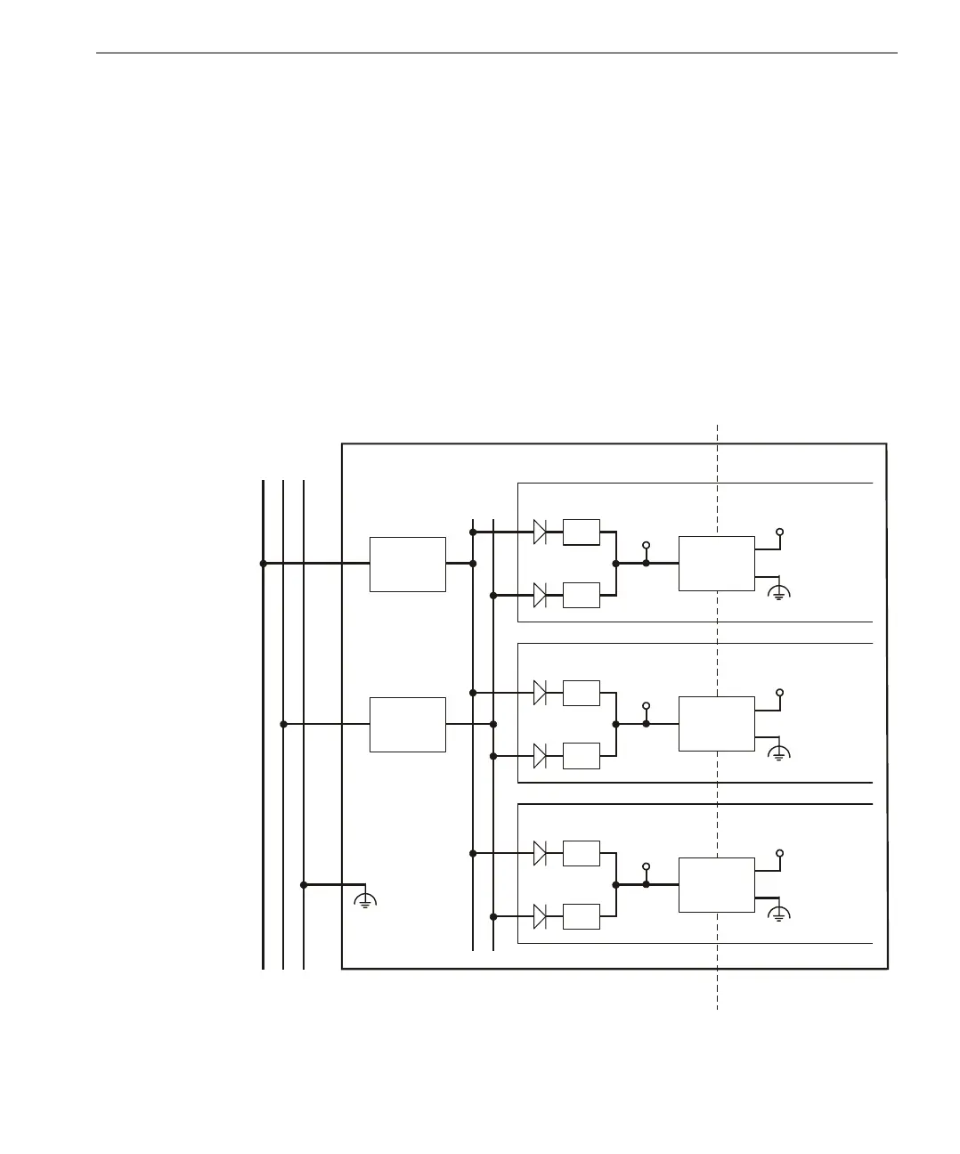
Logic Power
Each module is designed to operate directly from redundant 24 volts DC power
sources as shown on page 15. Logic power is carried baseplate-to-baseplate,
allowing a single logic power connection per column. The power conditioning
circuitry is protected against over-voltage, over-temperature, and over-load
conditions. Integral diagnostic circuitry checks for out-of-range voltages and over-
temperature conditions. A short on a channel disables the power regulator rather
than affecting the power sources.
Logic Power
Distribution
Power
Bus
Isolation
Barrier
Logic
(System)
Functional
Earth
Field
Functional
Earth
Field
Functional
Earth
Field
Functional
Earth
+
2
4
V
#
1
+
6
.
5
V
+
2
4
V
#
2
+
6
.
5
V
R
T
N
Vcc
Vcc
Vcc
Vcc
Vcc
Vcc
Leg A
Leg B
Leg C
Typical I/O Module
DC – DC
Converter
DC – DC
Converter
REG
REG
REG
REG
REG
REG
Isolated
DC – DC
Converter
Isolated
DC – DC
Converter
Isolated
DC – DC
Converter
~
~
~
~
~
~
~
~
~
~
~

Table of Contents