EasyManua.ls Logo

Triconex Trident - Operation

Default Icon
274 pages
Print Icon
To Next Page IconTo Next Page
To Next Page IconTo Next Page
To Previous Page IconTo Previous Page
To Previous Page IconTo Previous Page
Loading...
Main Processor Module 31
Chapter 3 System Description
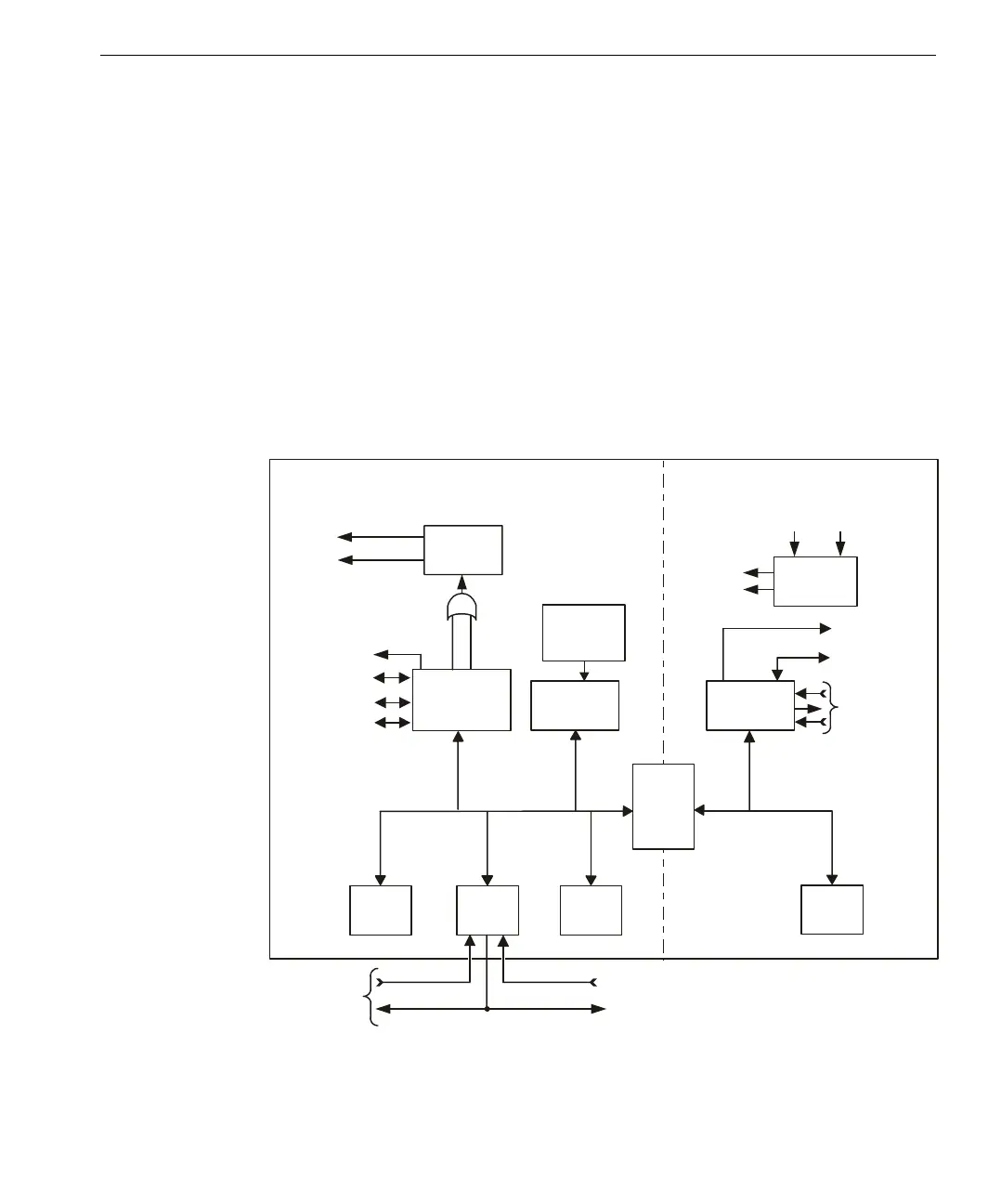
Operation
The three MPs communicate with each other using an inter-processor bus called
TriBus. TriBus is a high-speed, fault-tolerant communication path between the
MPs that is used primarily for voting and diagnostics. The three MPs communicate
with IO modules over a TMR HDLC IO bus that operates at 2 megabits per
second.
Each MP contains one TriStation 10BaseT Ethernet port and one Modbus RS-232/
485 serial port.
Each MP also contains redundant system alarm contacts. Connectors for the
Ethernet ports, Modbus ports, and alarm contacts are located on the MP Baseplate.
The MP Baseplate provides redundant, fused logic power connectors for the MP
and IO modules, which are directly connected to the IO column.
MP Operation
Modbus (DB-9)
Reserved (DB-9)
Redundant
Alarm
Relays
Debug (RJ-12)
Alarm 1
Alarm 2
Clock/NVRAM
8 KB
Program Processor
DRAM
16 MB
DRAM
16 MB
Flash
4/8 MB
Tr iBu s
FPGA
Tribus
(to other MPS)
Up Stream
Up Stream
Down Stream
Down Stream
Diagnostic Bus
Channels
(to other MPs)
I/O Bus
Debug (RJ-12)
MPC860A
I/O Processor
Program
Alarm
System
Alarm
Ethernet
Network (RJ-45)
3.6 V
Battery
and Monitor
36-Bit Bus
36-Bit Bus
Dual 24 V
Power Inputs
Dual-Power
Regulators
+5 V
+3.3 V
Shared
Memory
128 K
MPC860A

Table of Contents