EasyManua.ls Logo

Triconex Trident - I⁄O Extender Modules

Default Icon
274 pages
Print Icon
To Next Page IconTo Next Page
To Next Page IconTo Next Page
To Previous Page IconTo Previous Page
To Previous Page IconTo Previous Page
Loading...
Input/Output Modules 99
Chapter 3 System Description
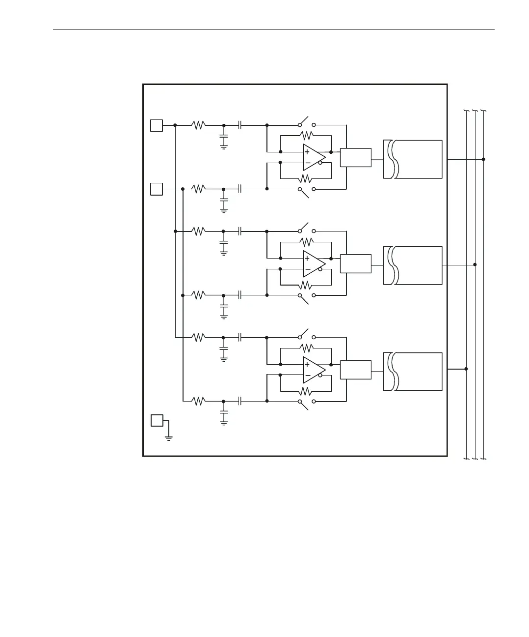
Model 3381 Pulse Input Module Simplified Schematic
+
Isolation
Filtering
Isolation
Filtering
Isolation
Filtering
Isolation
Filtering
Individual Point
Field Terminations
Isolated
Bus
Transceiver
ASIC
Triplicate
d
I/O Bus
PI Module Typical Point (1 of 6)
A
B
C
Isolated
Bus
Transceiver
Isolated
Bus
Transceiver
ASIC
ASIC
Isolation
Filtering
Isolation
Filtering

Table of Contents