EasyManua.ls Logo

Triconex Trident - Page 153

Default Icon
274 pages
Print Icon
To Next Page IconTo Next Page
To Next Page IconTo Next Page
To Previous Page IconTo Previous Page
To Previous Page IconTo Previous Page
Loading...
Guidelines 137
Chapter 4 Installation and Maintenance
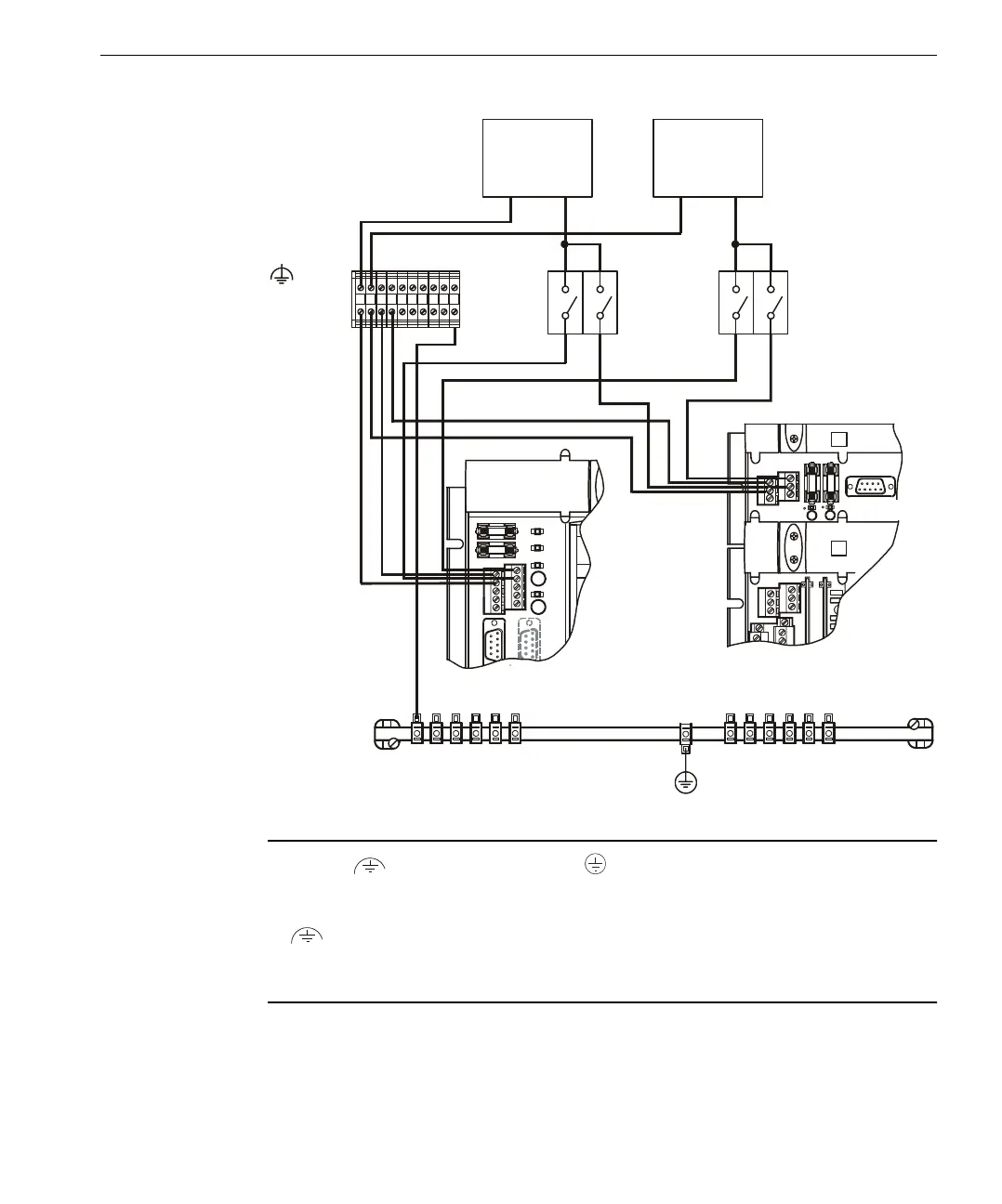
Notes L should be connected to at one and only one place for the entire
system, including IO bus extensions up to 200 meters (650 feet) from the MP.
Alternatively,
L can be connected to a DCS master reference ground or other quiet earth. In
simple environments, logic and field power can be combined and treated as one
ground system.
Typical
Connections for
Logic Power
Distribution
Block
MP
Baseplate
Typical I/O
Baseplate
Power
Disconnect
Power
Disconnect
Power
Supply 1
Power
Supply 2
––
++
L
J5
1
2
1
+
DSP1
DSP2
DSP3
DSP4
Protective Earth
Safety Ground()
Extender

Table of Contents