EasyManua.ls Logo

Triconex Trident - Page 70

Default Icon
274 pages
Print Icon
To Next Page IconTo Next Page
To Next Page IconTo Next Page
To Previous Page IconTo Previous Page
To Previous Page IconTo Previous Page
Loading...
54 Input/Output Modules
Trident Planning and Installation Guide
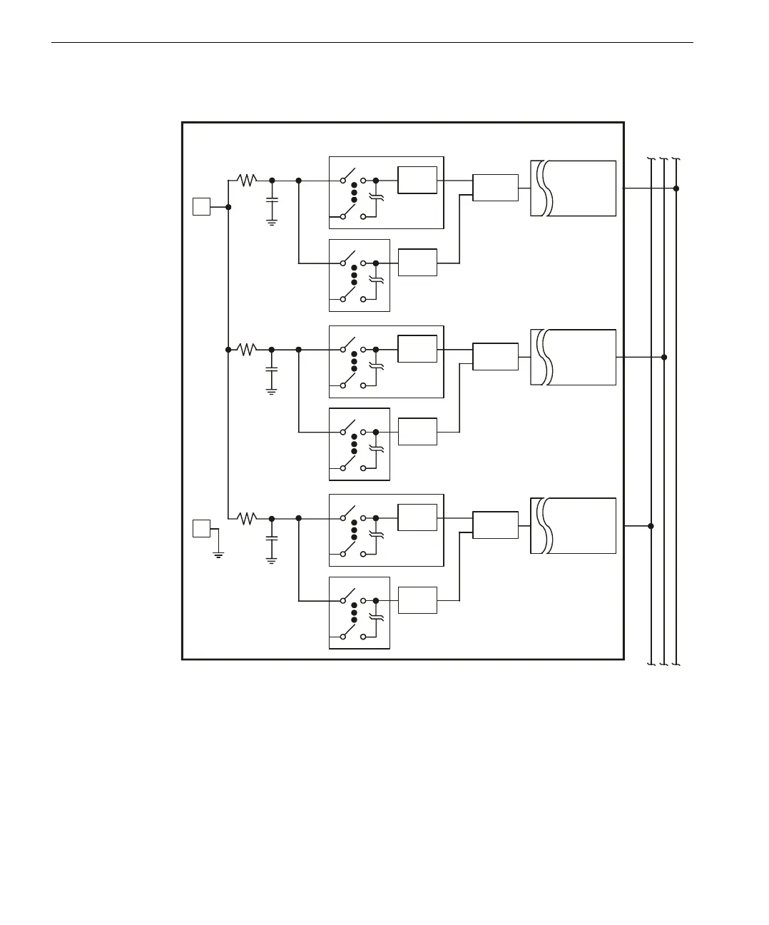
Model 3351 Analog Input Module Simplified Schematic
ADC
ADC
ADC
DAC
DAC
DAC
ASIC
ASIC
ASIC
Analog Input Module Typical Point (1 of 32) Triplicate
d
I/O Bus
I
n
d
i
v
i
d
u
a
l
P
o
i
n
t
F
i
e
l
d
T
e
r
m
i
n
a
t
i
o
n
s
A
B
C
Isolation
Filtering
Isolated
Bus
Transceiver
Isolated
Bus
Transceiver
Isolated
Bus
Transceiver

Table of Contents