EasyManua.ls Logo

Triconex Trident - Page 87

Default Icon
274 pages
Print Icon
To Next Page IconTo Next Page
To Next Page IconTo Next Page
To Previous Page IconTo Previous Page
To Previous Page IconTo Previous Page
Loading...
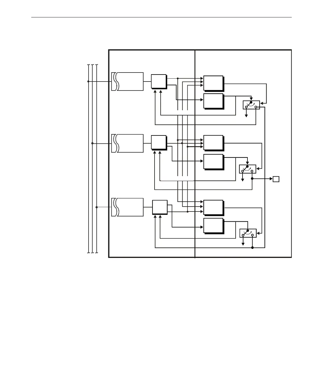
Input/Output Modules 71
Chapter 3 System Description
Model 3481 Analog Output Module Simplified Schematic
A
B
C
Isolated
Bus
Tra ns ce iver
Isolated
Bus
Tra ns ce iver
Isolated
Bus
Tra ns ce iver
DAC
Selector
Logic
Selector
Logic
Selector
Logic
DAC
DAC
Voltage Loopback
Voltage Loopback
Voltage Loopback
Output
Termination
I/O Controller(s) Field Circuitry Typical Point (4)
µProc
B
µProc
A
µProc
C
Triplicated
I/O Bus
Current Loopback
Current Loopback
Current Loopback

Table of Contents