EasyManua.ls Logo

Triconex Trident - Page 93

Default Icon
274 pages
Print Icon
To Next Page IconTo Next Page
To Next Page IconTo Next Page
To Previous Page IconTo Previous Page
To Previous Page IconTo Previous Page
Loading...
Input/Output Modules 77
Chapter 3 System Description
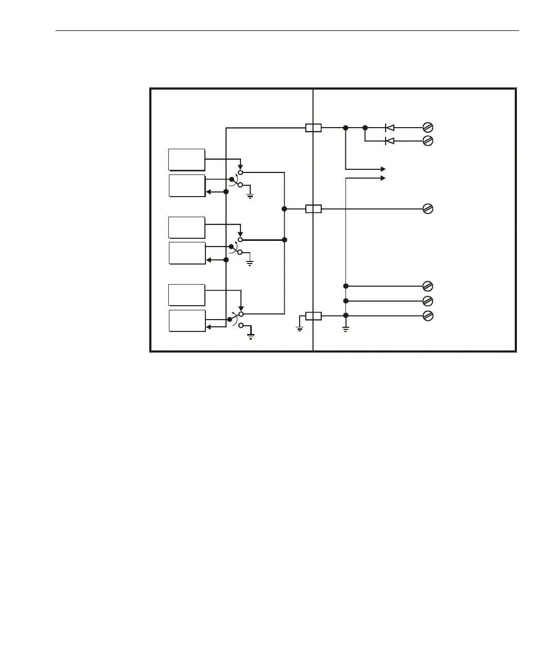
Model 2481 Analog Output Baseplate Simplified Schematic
A
B
C
Selector
Logic
DAC
Selector
Logic
DAC
Selector
Logic
DAC
Field Power (PS1 )–
Field Power (PS2 )–
AO Baseplate4-Point AO Module
Loop Power
Current
Loopback
Current
Loopback
Current
Loopback
Load +
To
Other
Points
Field Power (PS1 )–
Field Power (PS2 )–
Load

Table of Contents