EasyManua.ls Logo

Triconex Trident - Page 97

Default Icon
274 pages
Print Icon
To Next Page IconTo Next Page
To Next Page IconTo Next Page
To Previous Page IconTo Previous Page
To Previous Page IconTo Previous Page
Loading...
Input/Output Modules 81
Chapter 3 System Description
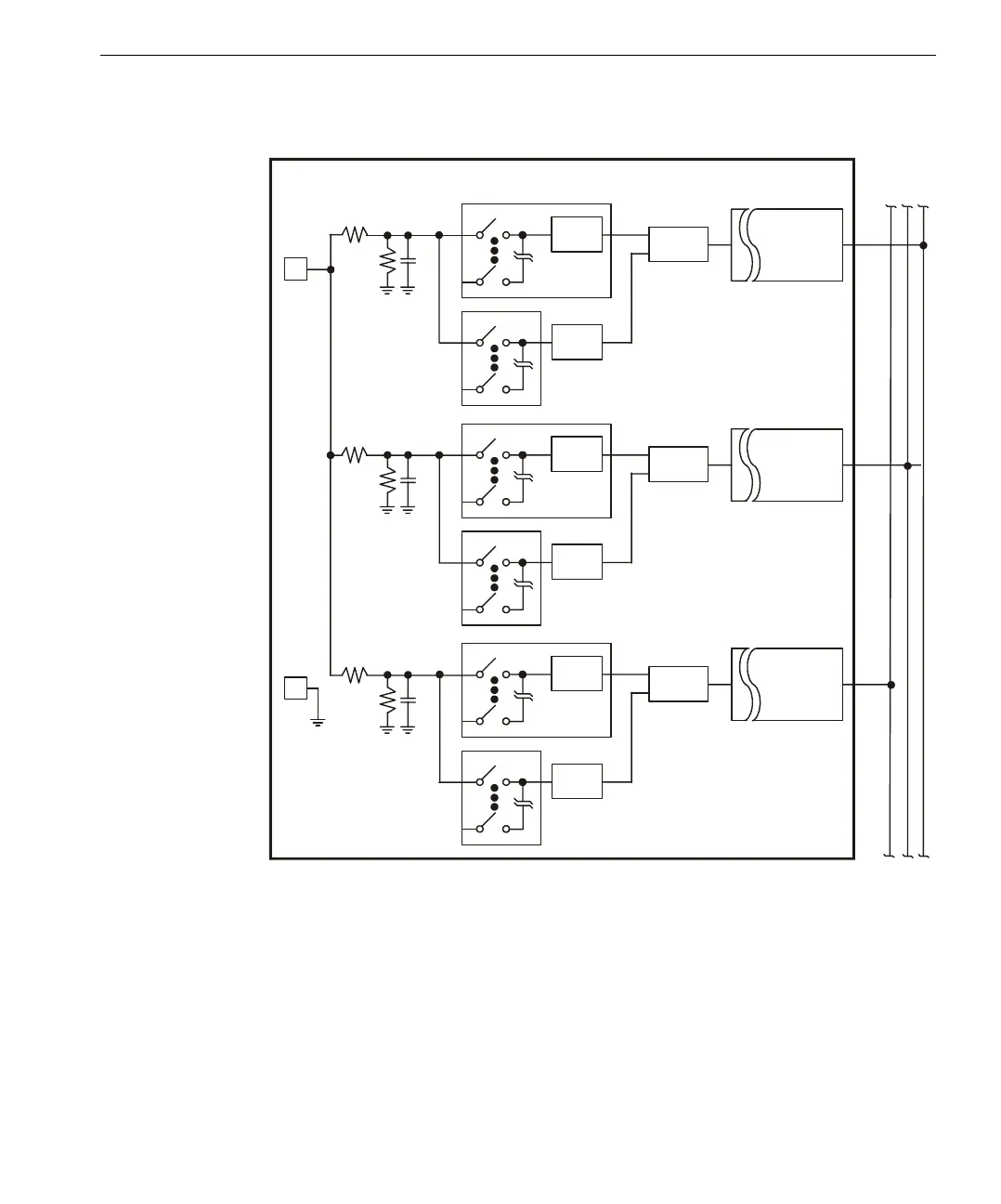
Model 3301 Digital Input Module Simplified Schematic
ADC
ADC
ADC
DAC
DAC
DAC
ASIC
ASIC
ASIC
I
n
d
i
v
i
d
u
a
l
P
o
i
n
t
F
i
e
l
d
T
e
r
m
i
n
a
t
i
o
n
s
A
B
C
Isolation
Filtering
Digital Input Module Typical Point (1 of 32)
Triplicate
d
I/O Bus
Isolated
Bus
Transceiver
Isolated
Bus
Transceiver
Isolated
Bus
Tra nsc eiver

Table of Contents