EasyManua.ls Logo

TUG MZ - Page 396

TUG MZ
445 pages
Print Icon
To Next Page IconTo Next Page
To Next Page IconTo Next Page
To Previous Page IconTo Previous Page
To Previous Page IconTo Previous Page
Loading...
96
Curtis 1234/36/38 Manual, Rev. D
1 1 J U LY 2 0 0 8 D R A F T
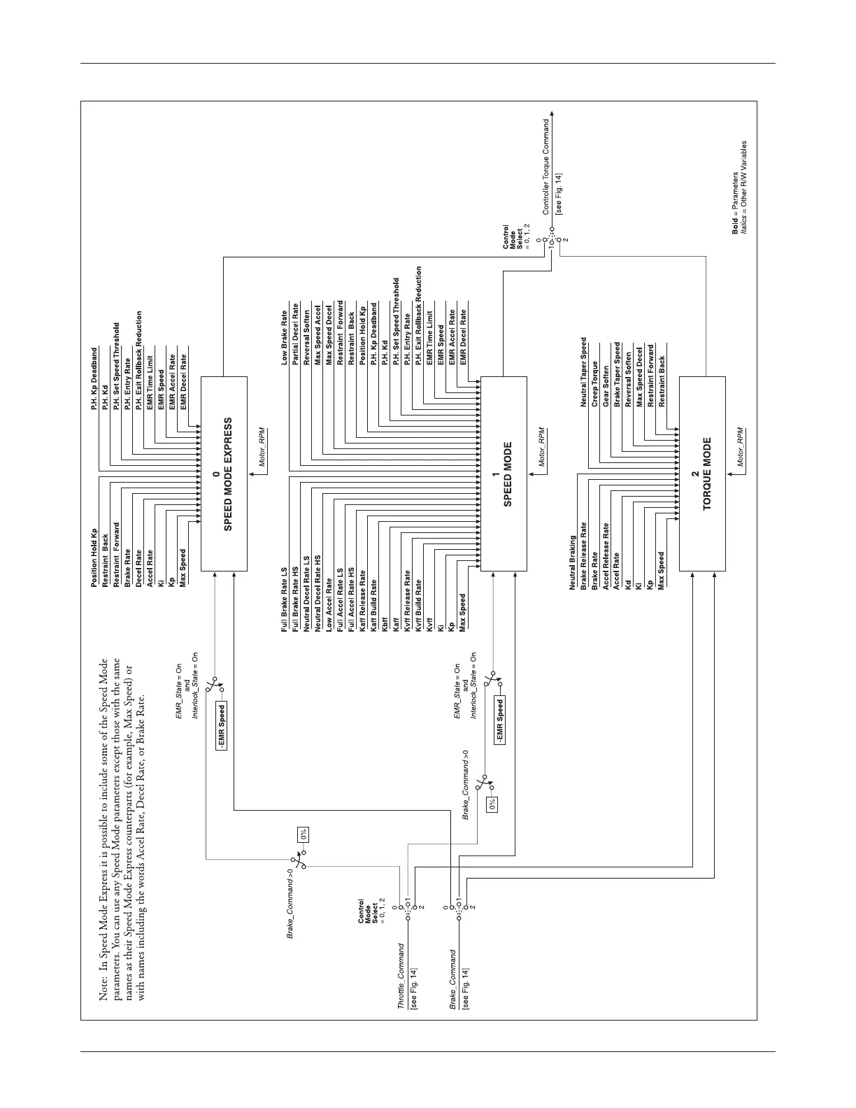
Fig. 15 Control Mode processing.
7 — VCL

Table of Contents

Related product manuals