EasyManua.ls Logo

uAvionix AV-30-E - 16 Field Update Capability

uAvionix AV-30-E
139 pages
Print Icon
To Next Page IconTo Next Page
To Next Page IconTo Next Page
To Previous Page IconTo Previous Page
To Previous Page IconTo Previous Page
Loading...
UAV-1004234-001, AV-30-E Installation Manual 131
Rev H
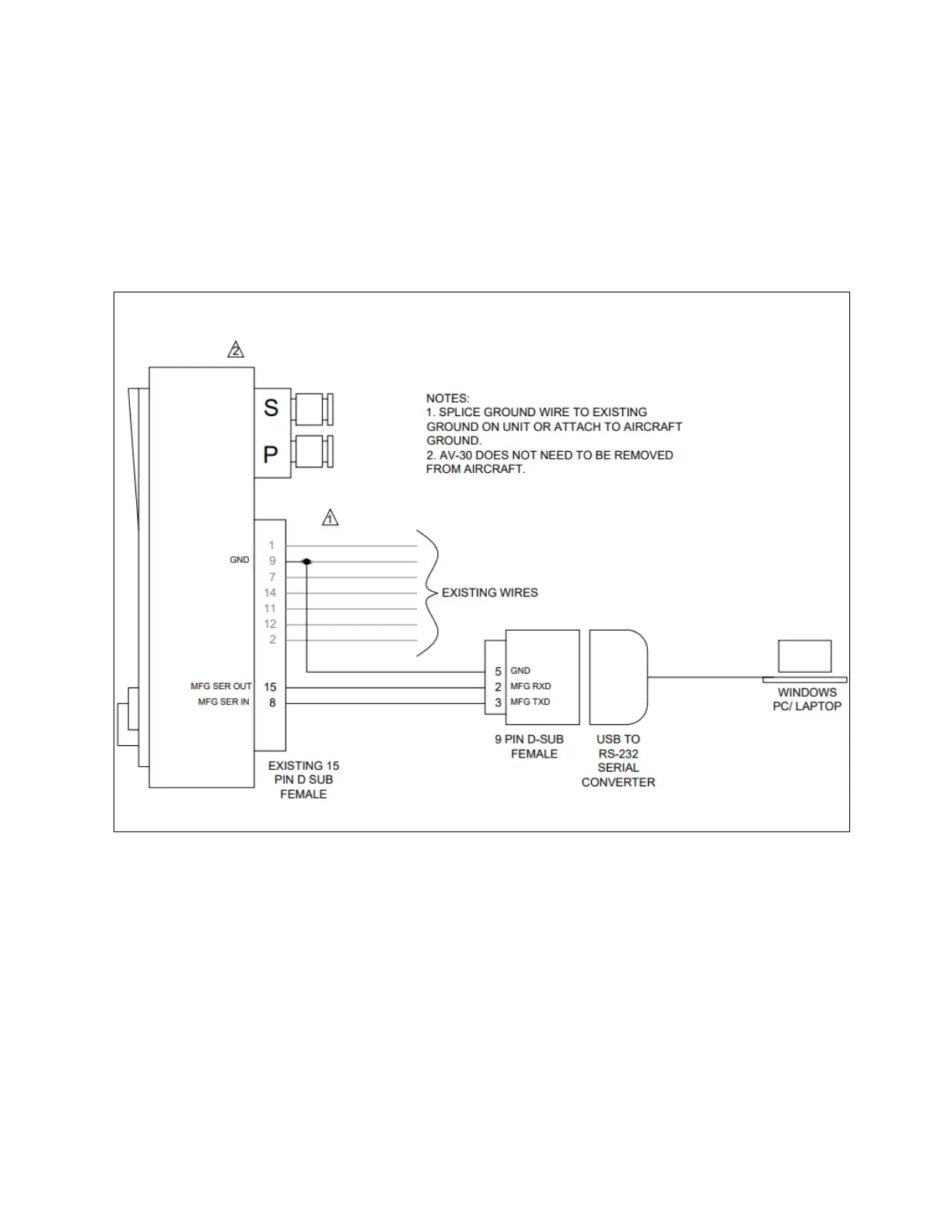
16 Field Update Capability
The unit software can be field updated. Updating requires either an in-
line harness and Windows based PC, or the optional AV-Link accessory
to be installed. Contact uAvionix support for additional information, or
reference available Service Bulletins.
Figure 56 - Field Update Interface Diagram

Table of Contents

Other manuals for uAvionix AV-30-E

Related product manuals