EasyManua.ls Logo

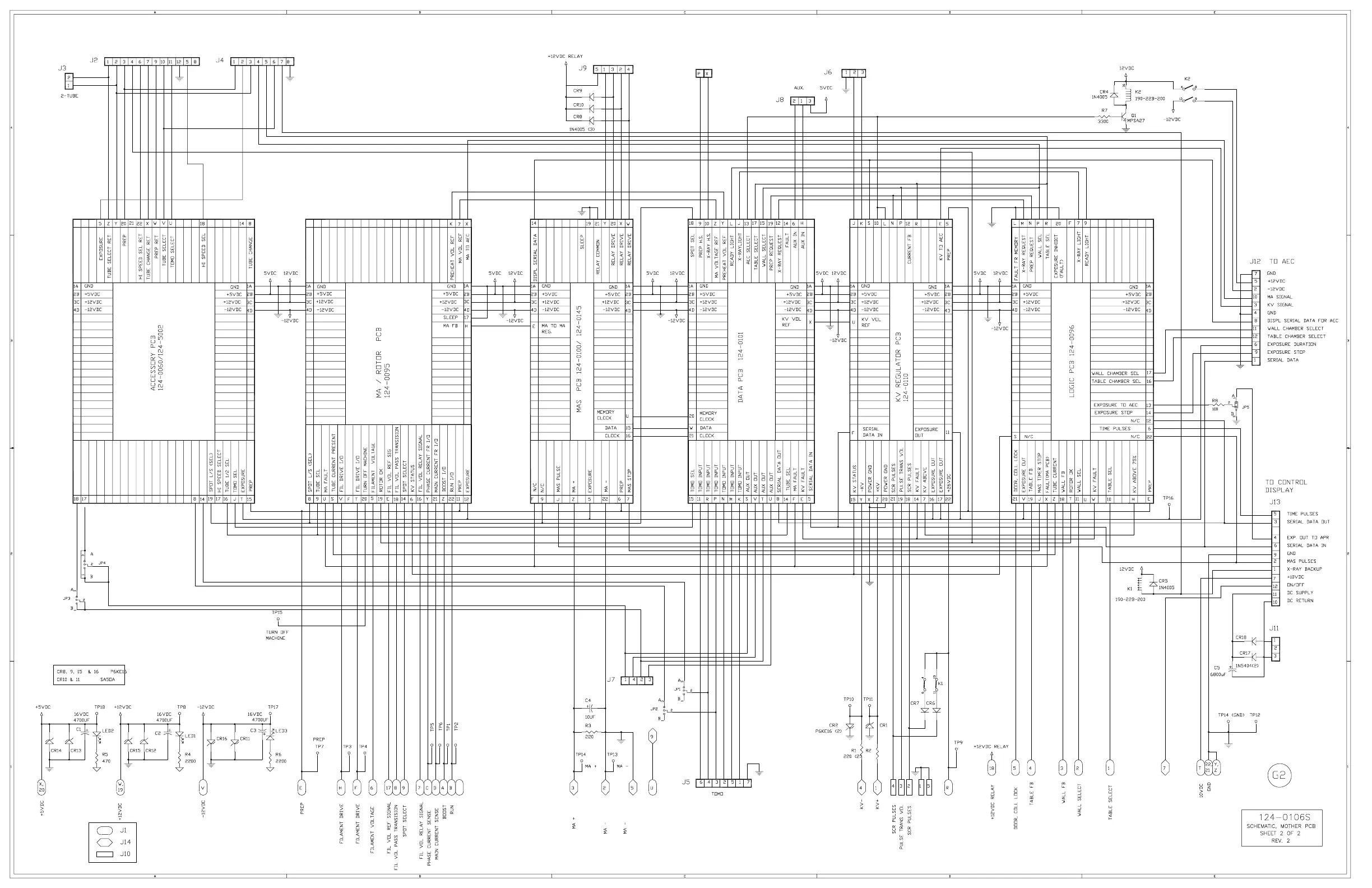
Universal APX 525 - Renewal Parts List; APX 525;625 Control, Power Module, and AEC Device Parts

Default Icon
243 pages
Print Icon
To Next Page IconTo Next Page
To Next Page IconTo Next Page
To Previous Page IconTo Previous Page
To Previous Page IconTo Previous Page
Loading...

Table of Contents