EasyManua.ls Logo

VALCO MELTON D4-E - Wiring Diagram Details

Default Icon
103 pages
Print Icon
To Next Page IconTo Next Page
To Next Page IconTo Next Page
To Previous Page IconTo Previous Page
To Previous Page IconTo Previous Page
Loading...
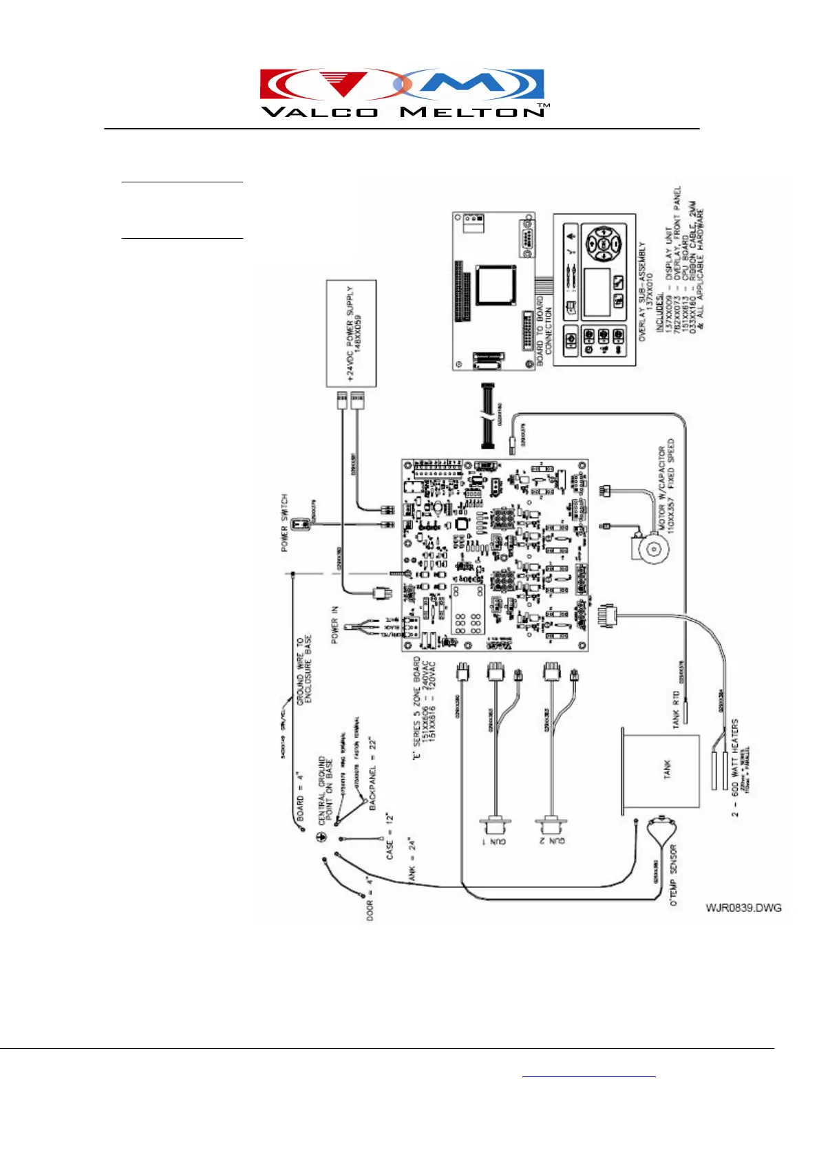
MM101 – D-4E HOT MELT UNIT 27
VALCO MELTON S.L.U. Pol. Ind. Agustinos C/G 34 3116 0 ORCOYEN, NAVARRA
TEL: +34 948 321580 Fax: +34 948 326584 melton@melton.es www.valcomelton.com
Wiring
Diagra
m

Table of Contents

Related product manuals