EasyManua.ls Logo

Valtra 6100 - Page 1135

Valtra 6100
1361 pages
Print Icon
To Next Page IconTo Next Page
To Next Page IconTo Next Page
To Previous Page IconTo Previous Page
To Previous Page IconTo Previous Page
Loading...
1078
Model
No Page
24.02.1999 69.5
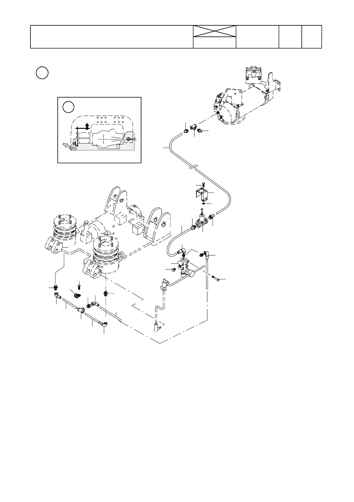
FRONT AXLE AIR SUSPENSION, fitting instr.
(17)6
6900(8000R)
8050---8950
1
1
7
8
9
10
11
12
12
13
14
15
16
17
19
2
19
25
4
21
18
20
20
24
4
12
22
23
3
F
F. 1

Table of Contents