EasyManua.ls Logo

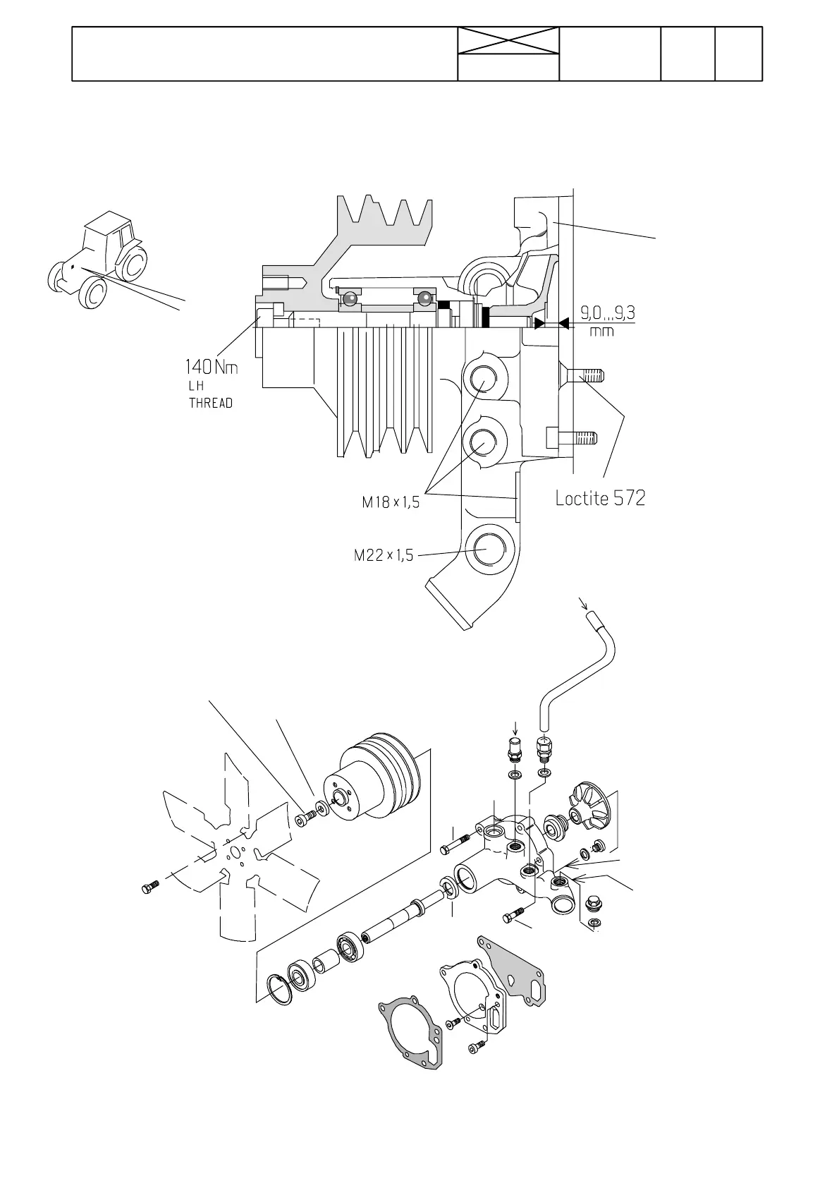
Valtra 6100 - Coolant Pump

Valtra 6100
1361 pages
Print Icon
To Next Page IconTo Next Page
To Next Page IconTo Next Page
To Previous Page IconTo Previous Page
To Previous Page IconTo Previous Page
Loading...
32
Model Code Page
23. Cooling system
1. 8. 2000
6250--6850 230 8
1. 9. 2002
25 Nm
Oil cooler
Intercooler
Expansion tank
Heating unit
Note! left hand thread
25 Nm
8367 64215
Coolant pump
Valtra 6250Hi--6850Hi (K16108--). From engine number K6491 incl.
Valtra 6200--6400 (K41106--).

Table of Contents

Related product manuals