EasyManua.ls Logo

Valtra 6100 - Intercooler on 6800 Tractor

Valtra 6100
1361 pages
Print Icon
To Next Page IconTo Next Page
To Next Page IconTo Next Page
To Previous Page IconTo Previous Page
To Previous Page IconTo Previous Page
Loading...
Note! On tractor 8400 (model 2001) and on HiTech --- tractors
6750 and 6850 (420 DWRIE) and on 8350 and 8950 (634
DSBIE or ESBIE) there is fitted an intercooler.
14
Model Code Page
21. Engine
1. 9. 2002
6800
216 6
1. 11. 1998
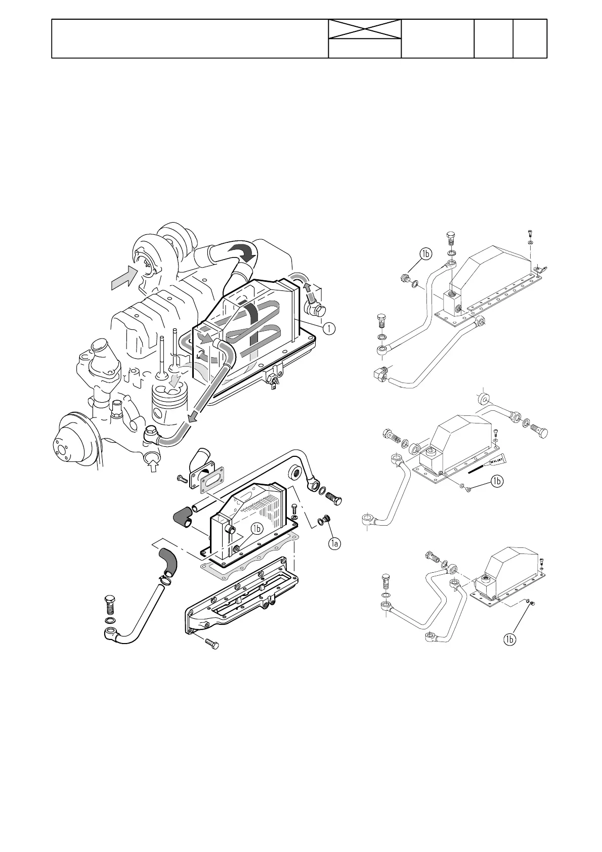
G. Intercooler on 6800 tractor
V almet 6800 tractor has an intercooler, which cools the engine
intake air. Air density is greater in lower temperatures and
more air can be charged into the engine combustion cambers
at which time fuel combustion happens more effectively.
Engine coolant circulates in the cooling element of the inter-
cooler and engine intake air is blown thought the element at
which time the air, which is in working temperature, cools
even from +150 ˚Cdownto+95˚C.
1) Intercooler (---F2684 (4--- cyl.)
1a) Filling plug
1b) Draining plug
6 --- cy l .
4---cyl. (F2685 ---)
6850 (420 DWRIE)
The intercooler increases engine coolant volume (compared
with the normal model) by about one litre (4 ---cyl. engines) or
about 2,5 litres (6---cyl. engines).
---F2684 (4---cyl.): When filling the cooling system, the inter-
cooler should be filled separately via plug 1a.Drainingis
made via draining plug 1b.
F2685--- (4--- cyl. and 6 --- cyl.): When filling the cooling system,
slacken the int e rcooler upper pipe union, so that air can flow
out of the cooler (draining plug 1b. These do not have the fill-
ing plug).
Note! The intercooler has been modified from engine number
F2685 incl. The new intercooler is interchangeable with the
earlier one, if all modified parts are changed (e.g. intake mani-
fold and pipes). As a spare part the earlier type intercooler is
still delivered.

Table of Contents

Related product manuals