EasyManua.ls Logo

Valtra 6100 - Governor; Fuel Injection Pump Type Plate

Valtra 6100
1361 pages
Print Icon
To Next Page IconTo Next Page
To Next Page IconTo Next Page
To Previous Page IconTo Previous Page
To Previous Page IconTo Previous Page
Loading...
93
Model Code Page
22. Fuel system
1. 8. 2000
6000--8950 220 7
1. 9. 1992
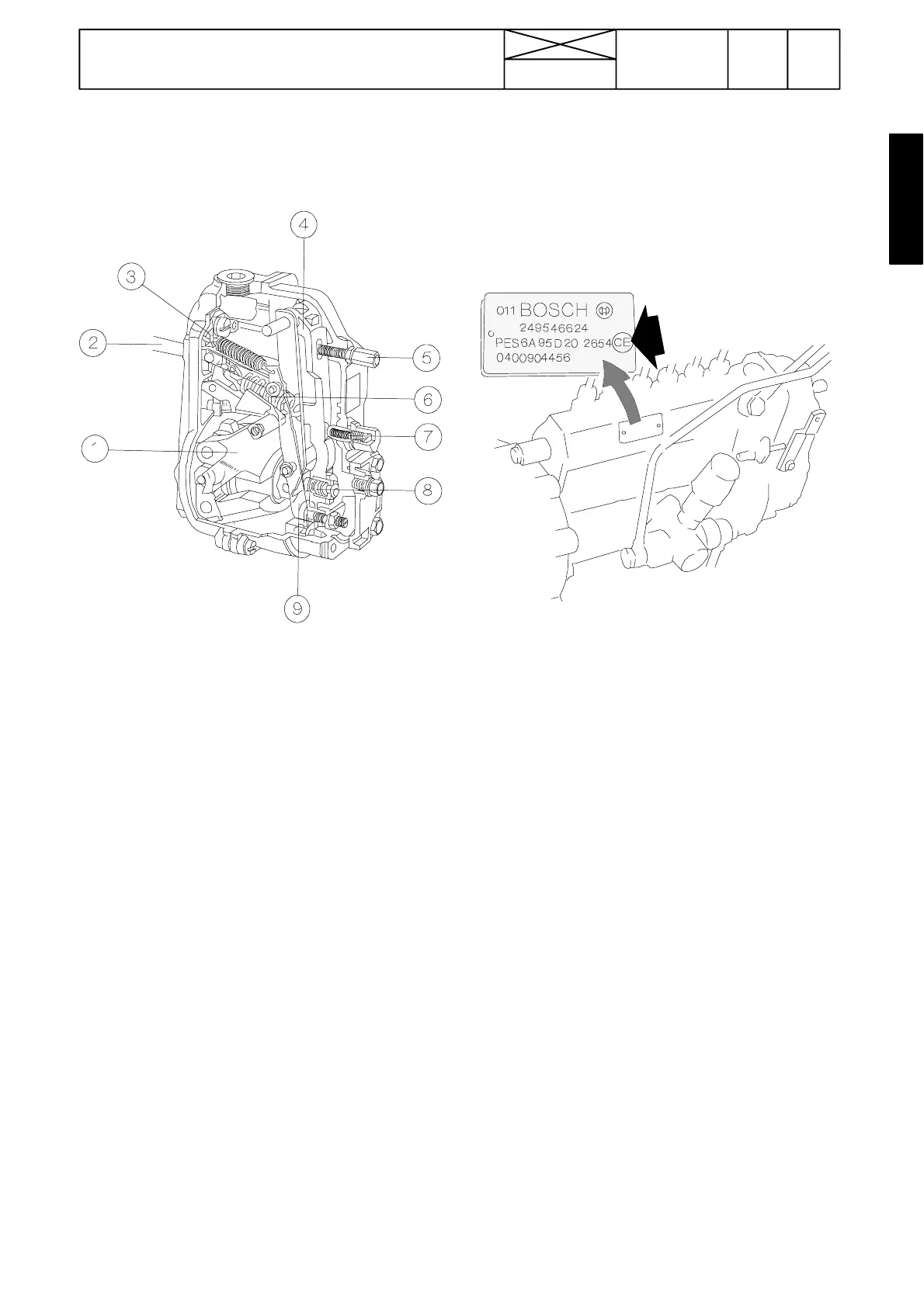
Governor
1. Governor weight
2. Control rod
3. Starting spring
4. Main lever
5. Idler screw
6. Governor spring
7. Additional spring, idling
8. Spring for equalizer
9. Governor control arm
The governor is of the centrifugal type and is fitted at the rear
end of the injection pump. The governor controls the rota-
tional speed of the engine throughout the whole speed range,
and identifies the rotational speed by means of the governor
weights. The position of the governor control and of the gov-
ernor weights is transferred through the governor lever link-
age to the control rod. The governor has one governorspring.
Starter spring, which is attached to the upper end of the con-
trol lever, it pulls the control rod to the starting position when
the engine stops. This means that the amount of fuel injected
when the engine is started automatically becomes greater.
Fuel injection pump type plate (Bosch in- -line
pumps)
The injection pump type plate shows one particular letter indi-
cating the user application, see figure below. This letter
should always be quotedwhen ordering a replacementpump
or when looking for setting values.
The letters for different pumps on 6000---8950 tractors can be
found in the tables on pages 220/8, 8B.

Table of Contents

Related product manuals