EasyManua.ls Logo

Valtra 6100 - Page 170

Valtra 6100
1361 pages
Print Icon
To Next Page IconTo Next Page
To Next Page IconTo Next Page
To Previous Page IconTo Previous Page
To Previous Page IconTo Previous Page
Loading...
163
Model Code Page
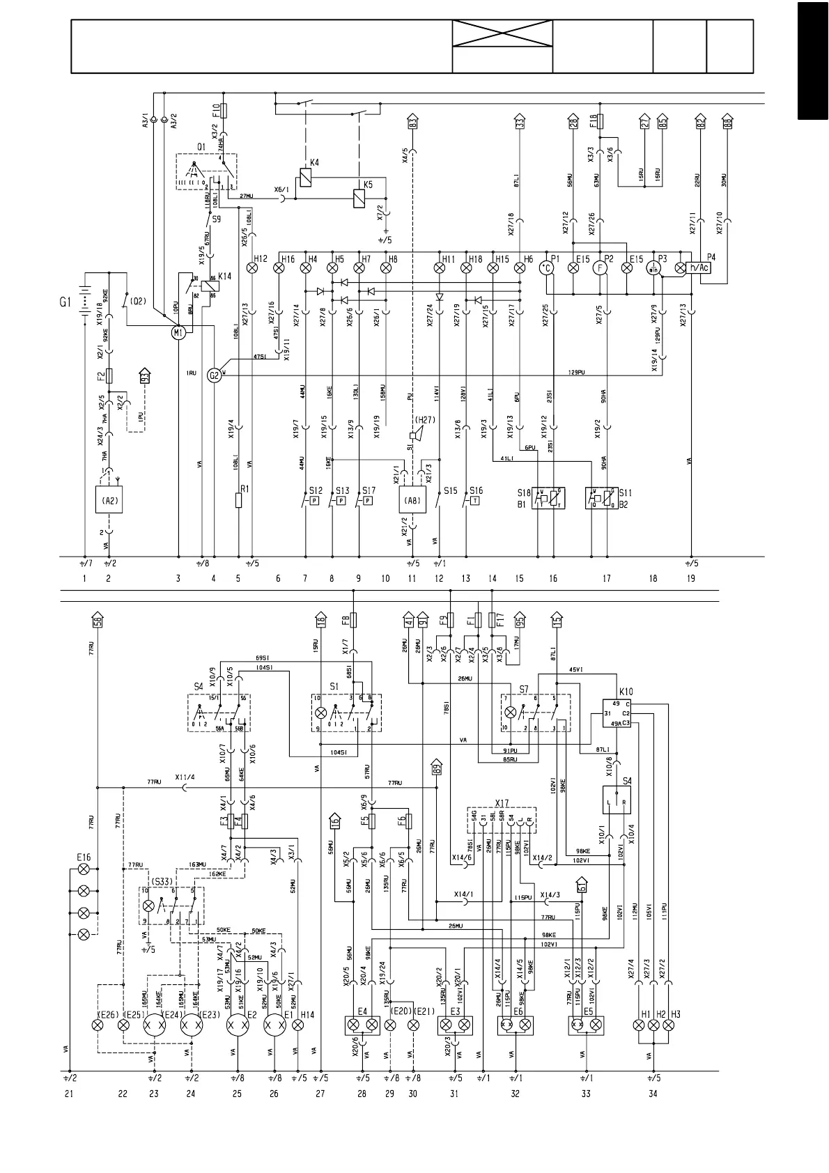
31. Tractor electrical system
6100--8400 310 13
15. 5. 1993
6184--- 127
318 716 20--- 32
6184--- 128

Table of Contents

Related product manuals