EasyManua.ls Logo

Valtra 6100 - Page 266

Valtra 6100
1361 pages
Print Icon
To Next Page IconTo Next Page
To Next Page IconTo Next Page
To Previous Page IconTo Previous Page
To Previous Page IconTo Previous Page
Loading...
81
1. 9. 2002
310 109
6200--8550
Model Code Page
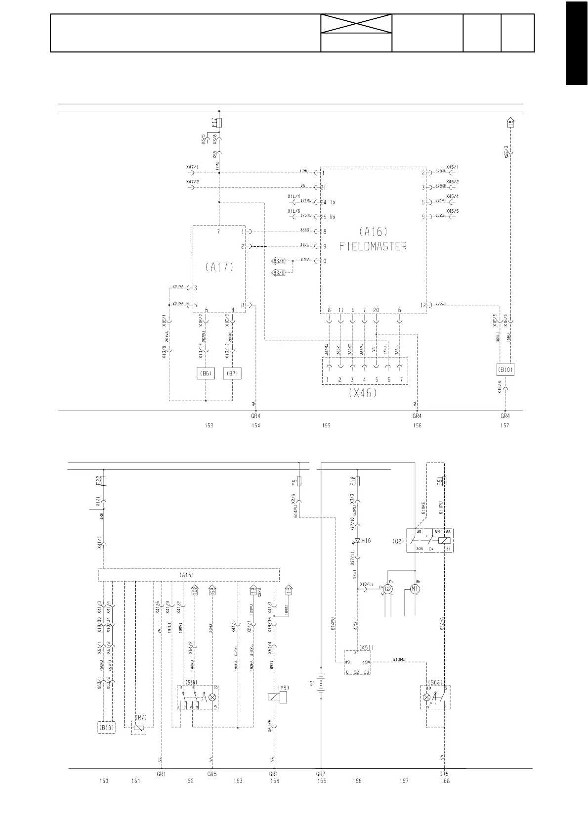
31. Tractor electrical system
9
10
Mezzo/Mega, L17307---

Table of Contents

Related product manuals