EasyManua.ls Logo

Valtra 6100 - Page 400

Valtra 6100
1361 pages
Print Icon
To Next Page IconTo Next Page
To Next Page IconTo Next Page
To Previous Page IconTo Previous Page
To Previous Page IconTo Previous Page
Loading...
359
Model Code Page
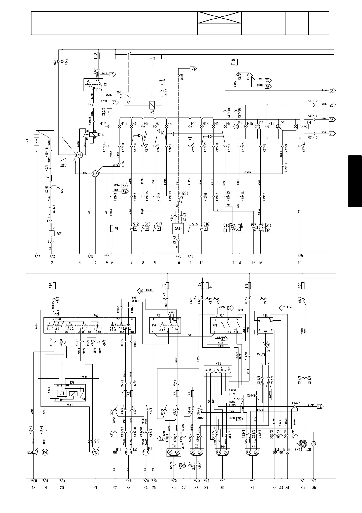
34. Autocontrol ---III
6600E, 8100E 340 13
15. 6. 1992
1. 9. 1992

Table of Contents

Related product manuals