EasyManua.ls Logo

Valtra 6100 - Page 539

Valtra 6100
1361 pages
Print Icon
To Next Page IconTo Next Page
To Next Page IconTo Next Page
To Previous Page IconTo Previous Page
To Previous Page IconTo Previous Page
Loading...
492
Model Code Page
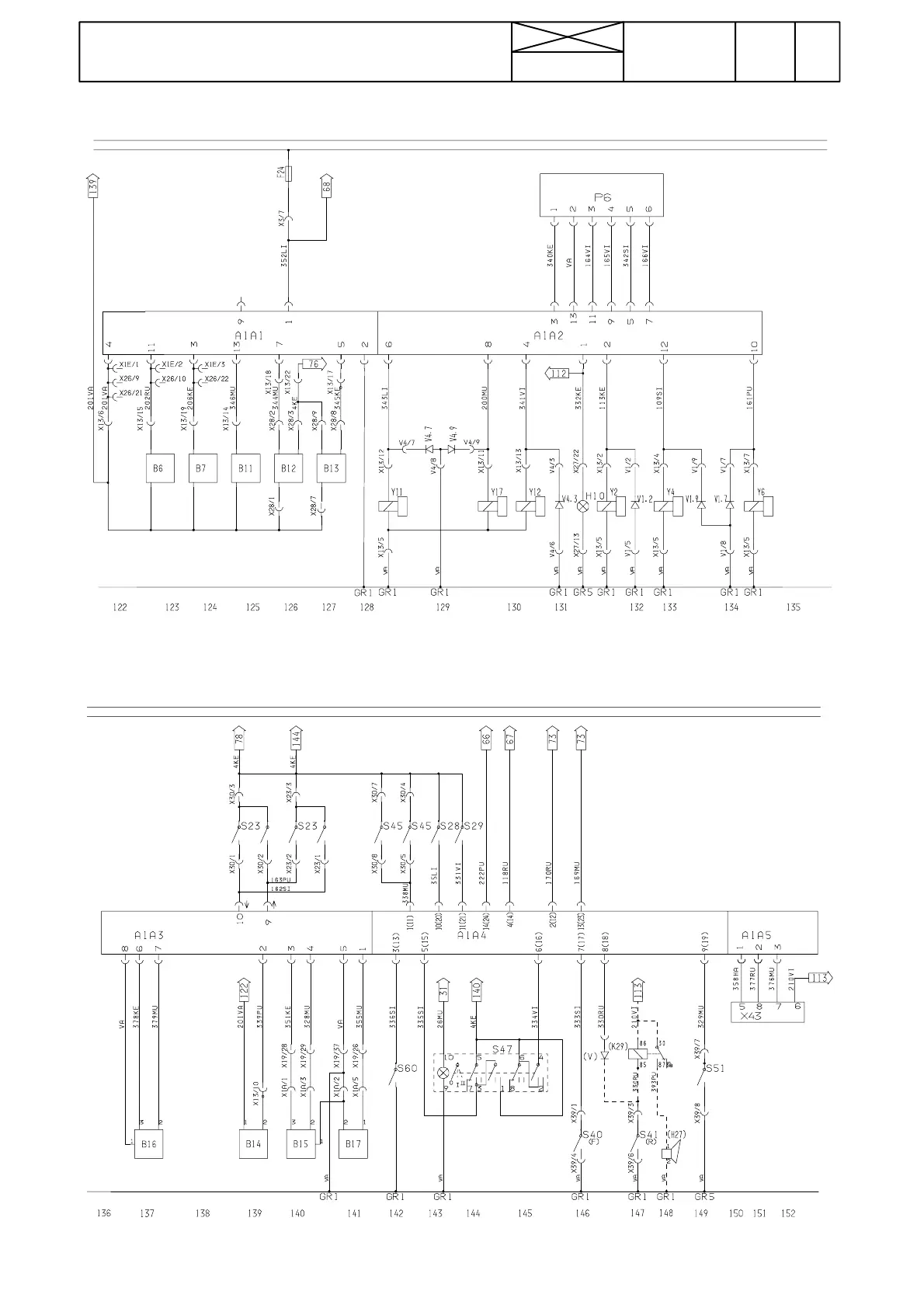
37. Autocontrol 5
1. 8. 2000
370 26
6250--8950
1. 10. 1999
Wiring diagram AC5 1
Wiring diagram AC5 2
Current must not be taken
from circuit of fuse F24
(safety risk)
Note! Supply voltages of
sensors B12 and B13 via
fuse F22.
--J38342 (AC 5).

Table of Contents

Related product manuals