EasyManua.ls Logo

Valtra 6100 - Page 693

Valtra 6100
1361 pages
Print Icon
To Next Page IconTo Next Page
To Next Page IconTo Next Page
To Previous Page IconTo Previous Page
To Previous Page IconTo Previous Page
Loading...
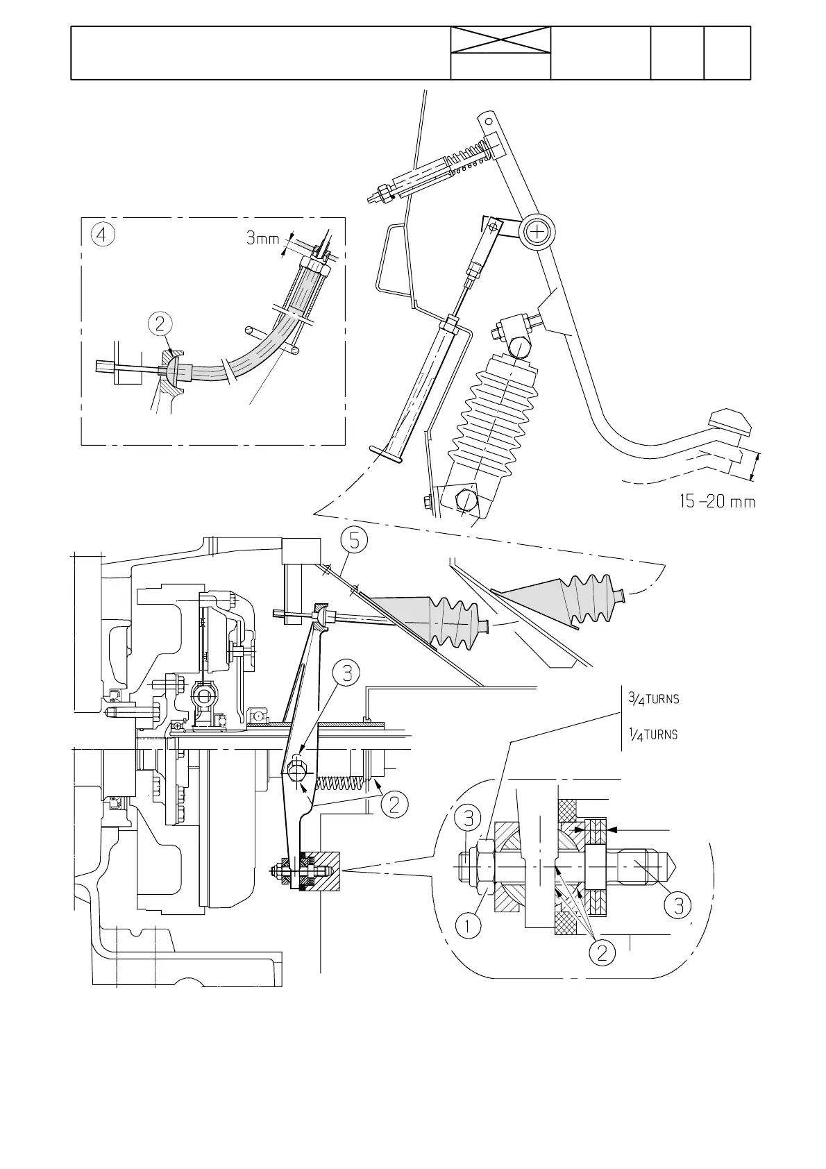
Adjustment of pedal
free travel
1
.
Tighten t he nut first fully home and uns crew it then 3/4 a
turn (---662263) or 1/4 a turn (662264---).
2. Universal grease
3. Loctite 242
4. P edal free travel is adjusted by adjusting the distance
between the cab wall and the nut to 3 mm.
5. There is an opening through which the cable clutch
side end can be detached and the cable can be chan-
ged, if needed, without splitting the tract or.
X
(---662263)
X=7 mm
(662264---)
X=8 mm
(
)
644
Model Code Page
41. Clutch
6000--8750 410 8
1. 1. 1994
15. 5. 1993
Cable type release mechanism,
659478---

Table of Contents

Related product manuals