EasyManua.ls Logo

Valtra 6100 - Page 787

Valtra 6100
1361 pages
Print Icon
To Next Page IconTo Next Page
To Next Page IconTo Next Page
To Previous Page IconTo Previous Page
To Previous Page IconTo Previous Page
Loading...
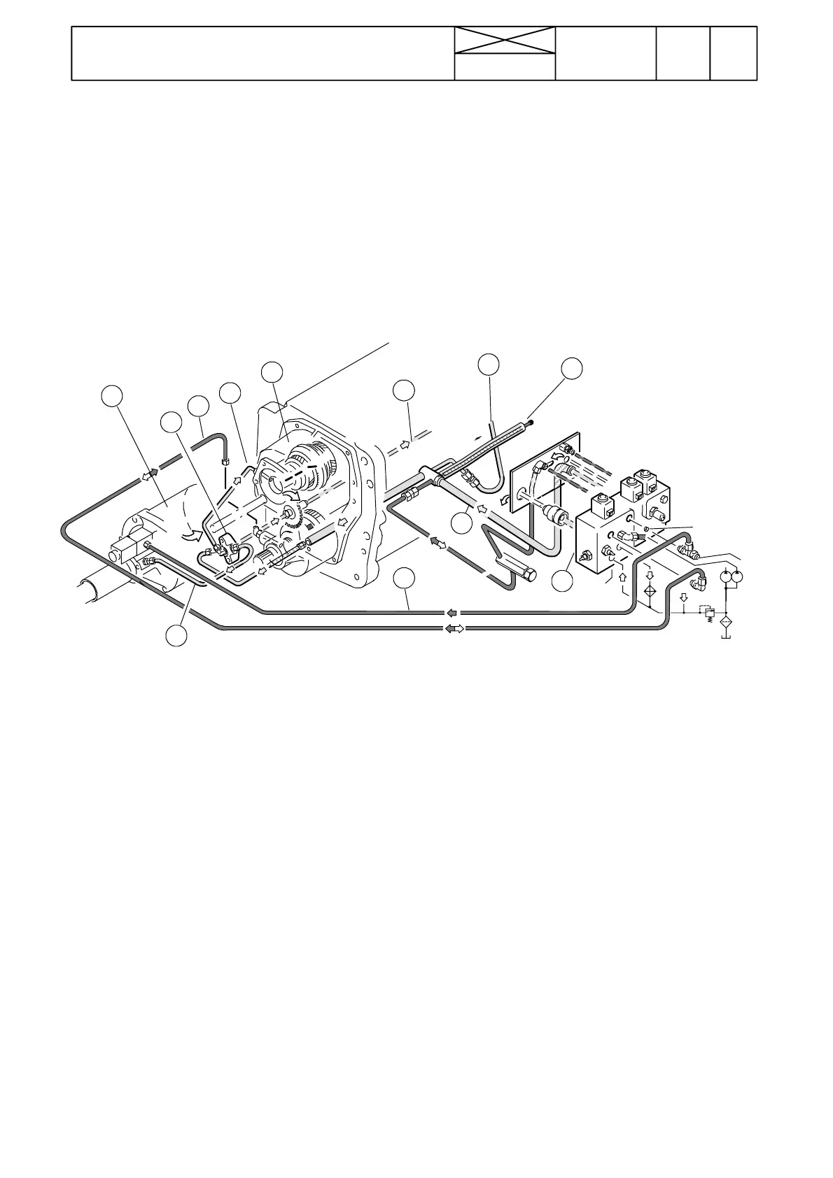
Lubricating system of 2---step quick---shift gear and mechanical shuttle
Figure 3. Lubricating and clutch pressures
1.Servovalveblock
2. Clutch pressure to quick ---shift gear
3. Clutch pressure to 4WD clutch
4. Lubricating oil feed pipe
5. Lubricating oil distributor piece on the reverse shuttle front side
6. Lubricating oil pipe to reverse shuttle
7. Lubricating oil pipe to quick --- shift gear
8. Lubricating oil to bevel pinion shaft
9. Lubricating oil to gearbox input shaft
10. Lubricating oil and clutch pressure to PTO
11. Quick---shift gear
12. Reverse shuttle
734
Model Code Page
1. 11. 1998
6000--8750
10440
44. Quick---shift gear, reverse shuttle
and 4WD clutch
15. 5. 1993
ø2
1,8 MPa
8
3
6
2
7
4
5
1
9
10
11
12
0,2 MPa

Table of Contents