EasyManua.ls Logo

Valtra 6100 - Page 940

Valtra 6100
1361 pages
Print Icon
To Next Page IconTo Next Page
To Next Page IconTo Next Page
To Previous Page IconTo Previous Page
To Previous Page IconTo Previous Page
Loading...
237
Model Code Page
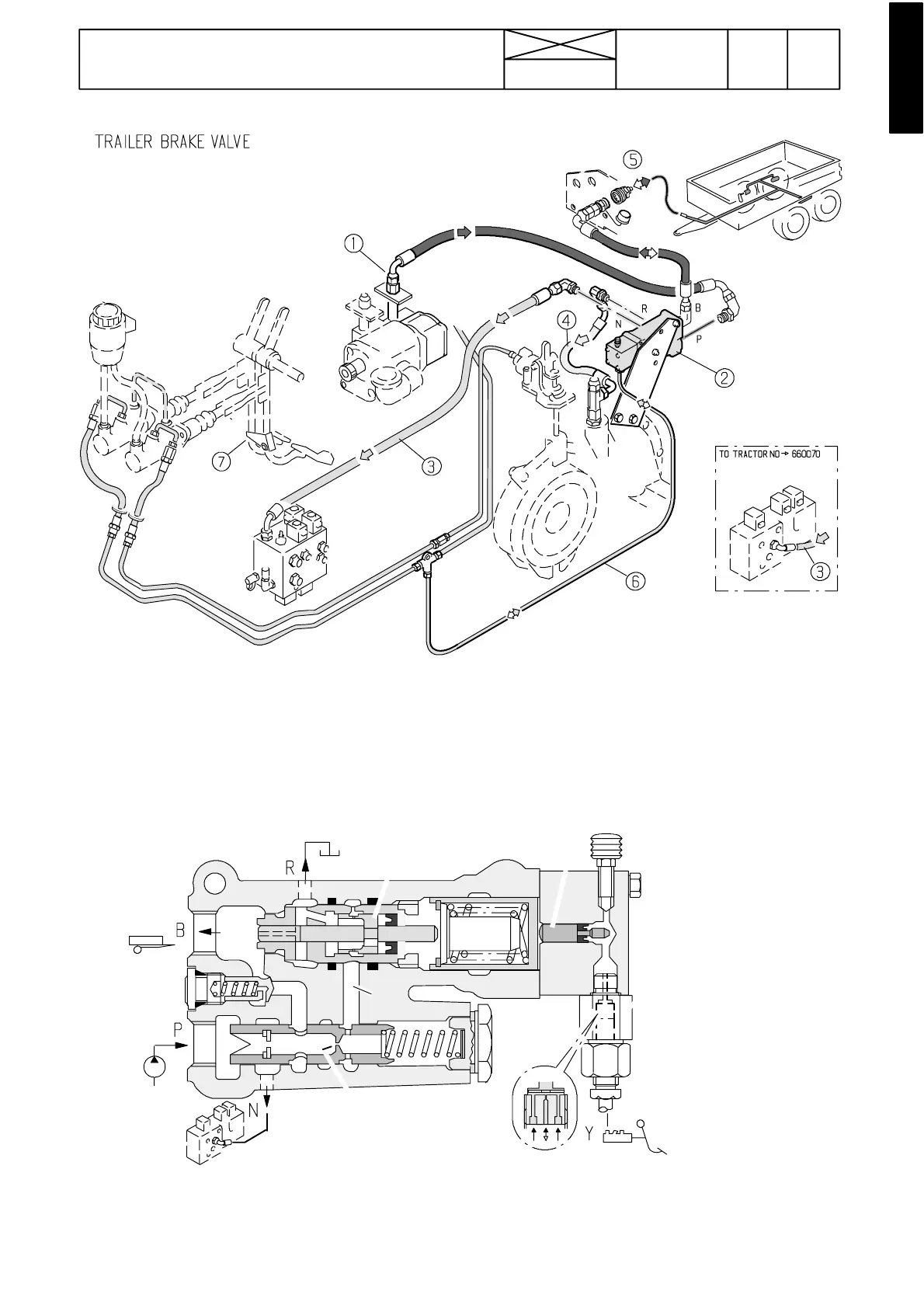
51. Brake
1. 9. 2002
6000--8950 510 9
Picture 9. Brake valve for trailer
1. Pressure line from pump
2. Brake valve
3. Pipe from low pressure citcuit
4. Pipe
5. Coupling for trail er
6. Pilot pressure from brake circuit
7. Brake pedals
Kuva 10. Pe r ävaunun jarruventtiilin halkil eikkauskuva

Table of Contents

Related product manuals