EasyManua.ls Logo

Volvo Penta Electronic Control System - Page 65

Volvo Penta Electronic Control System
136 pages
Print Icon
To Next Page IconTo Next Page
To Next Page IconTo Next Page
To Previous Page IconTo Previous Page
To Previous Page IconTo Previous Page
Loading...
21
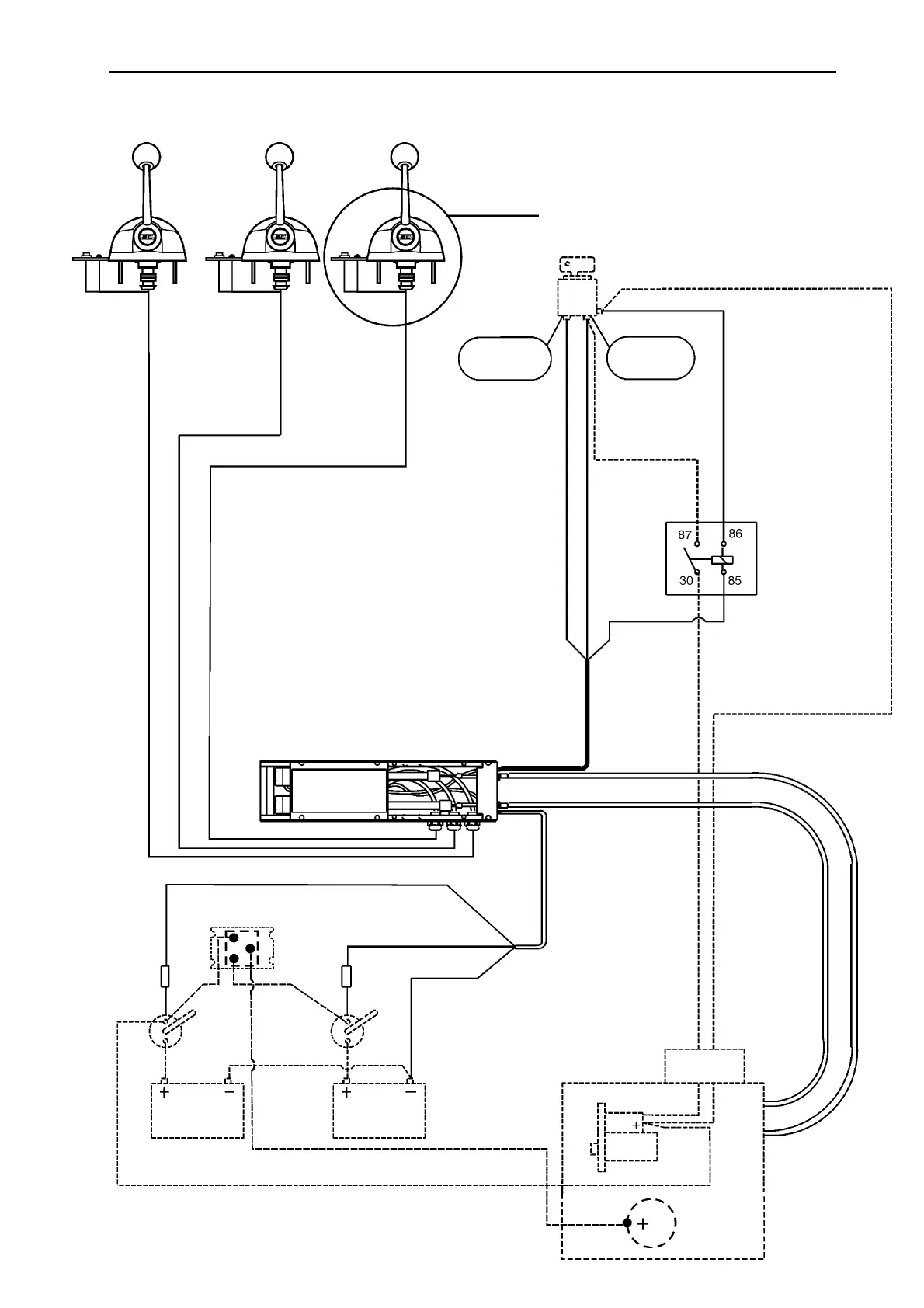
SCHÉMA DE CÂBLAGE, MONTAGE MONOMOTEUR
Commandes1,2,3
Voir fig. 4
Clé d’allumage
N°9 Conducteur pos.(+)
Position de
marche (+)
Position de
démarrage (+)
N°8 Signal de
démarrage
N°7 Continu (+)
Relais pour
démarrage
au point mort
uniquement
N°4 ROUGE
N°5 BLEU
N°6
JAUNE(-)
NOIR
Unité électronique/Unité d’entraînement
N°1 ROUGE Main pos.(+)
N°2 ROUGE/BLANC Backup pos.(+)
Disjoncteur
N°3 NOIR
Nég. (-)
Interrupteur
principal
Interrupteur
principal
N°11 (-)
Batterie de
démarrage
Batterie de
service
N°10 Alimentation principale moteur
de démarrage pos.(+)
Solénoïde
Moteur de démarrage
Boîte de connexion,
moteur
Moteur
N°8 Signal de démarrage
Câble d’accélération
Câble d’embrayage
Toutes les lignes pleines indiquent le montage du Système Électronique
de Commande Volvo Penta.
Toutes les lignes pointillées indiquent un autre équipement de bateau.
Disjonsteur
Instructions de montage
GRIS
Distributeur de
charge
Alternateur

Table of Contents

Related product manuals