EasyManua.ls Logo

Volvo Penta Electronic Control System - Page 66

Volvo Penta Electronic Control System
136 pages
Print Icon
To Next Page IconTo Next Page
To Next Page IconTo Next Page
To Previous Page IconTo Previous Page
To Previous Page IconTo Previous Page
Loading...
22
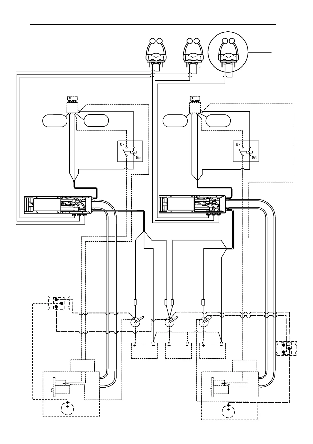
SCHÉMA DE CÂBLAGE, MONTAGE BIMOTEUR
Commandes1,2,3
Voir fig. 4
Clé d’allumage
N°9 Conducteur pos. (+)
N°7 Continu (+)
Position de
démarrage (+)
Position de
marche(+)
N°4 ROUGE
N°5 BLEU
Relais pour
démarrage au
point mort
uniquement
N°6 JAUNE (-)
NOIR
Unité électronique/d’entraînement
Clé d’allumage
N°9 Conducteur pos. (+)
N°7 Continu (+)
Position de
démarrage (+)
Position de
marche (+)
N°4 ROUGE
N°5 BLEU
Relais pour
démarrage au
point mort
uniquement
N°6 JAUNE (-)
NOIR
Unité électronique/d’entraînement
N°8 Signal de
démarrage
N°8 Signal de démarrage
Câble d’accélération
Câble de changement de vitesse
N°8 Signal de démarrage
Câble d’accélération
Câble de changement de vitesse
N°1 ROUGE Main pos. (+)
N°3 NOIR Nég. (-)
N°2 ROUGE/BLANC
Backup pos. (+)
N°3 NOIR Nég. (-)
Disjoncteur
Disjoncteur
Disjoncteur
Disjoncteur
N°1 ROUGE Main Plus (+)
N°2 ROUGE/BLANC
Backup pos. (+)
Interrupteur
principal
Interrupteur
principal
Interrupteur
principal
Batterie de
démarrage bâbord
Batterie de
service
Batterie de
démarrage tribord
Boîte de
connexion,
moteur
Solénoïde
Moteur de démarrage
N°10
Conducteur
principal moteur
de démarrage
pos. (+)
N°10
Conducteur
principal moteur
de démarrage
pos. (+)
Boîte de con-
nexions, moteur
Solénoïde
Moteur de
démarrage
Toutes les lignes pleines indiquent le montage du
Système Électronique de Commande Volvo Penta.
Toutes les lignes pointillées indiquent un autre équipement de bateau.
Moteur tribord
Moteur bâbord
GRIS
GRIS
30
86
30
86
Instructions de montage
Distributeur de
charge
Alternateur
Alternateur
Distributeur de
charge

Table of Contents

Related product manuals