EasyManua.ls Logo

Volvo Penta Electronic Control System - Page 87

Volvo Penta Electronic Control System
136 pages
Print Icon
To Next Page IconTo Next Page
To Next Page IconTo Next Page
To Previous Page IconTo Previous Page
To Previous Page IconTo Previous Page
Loading...
21
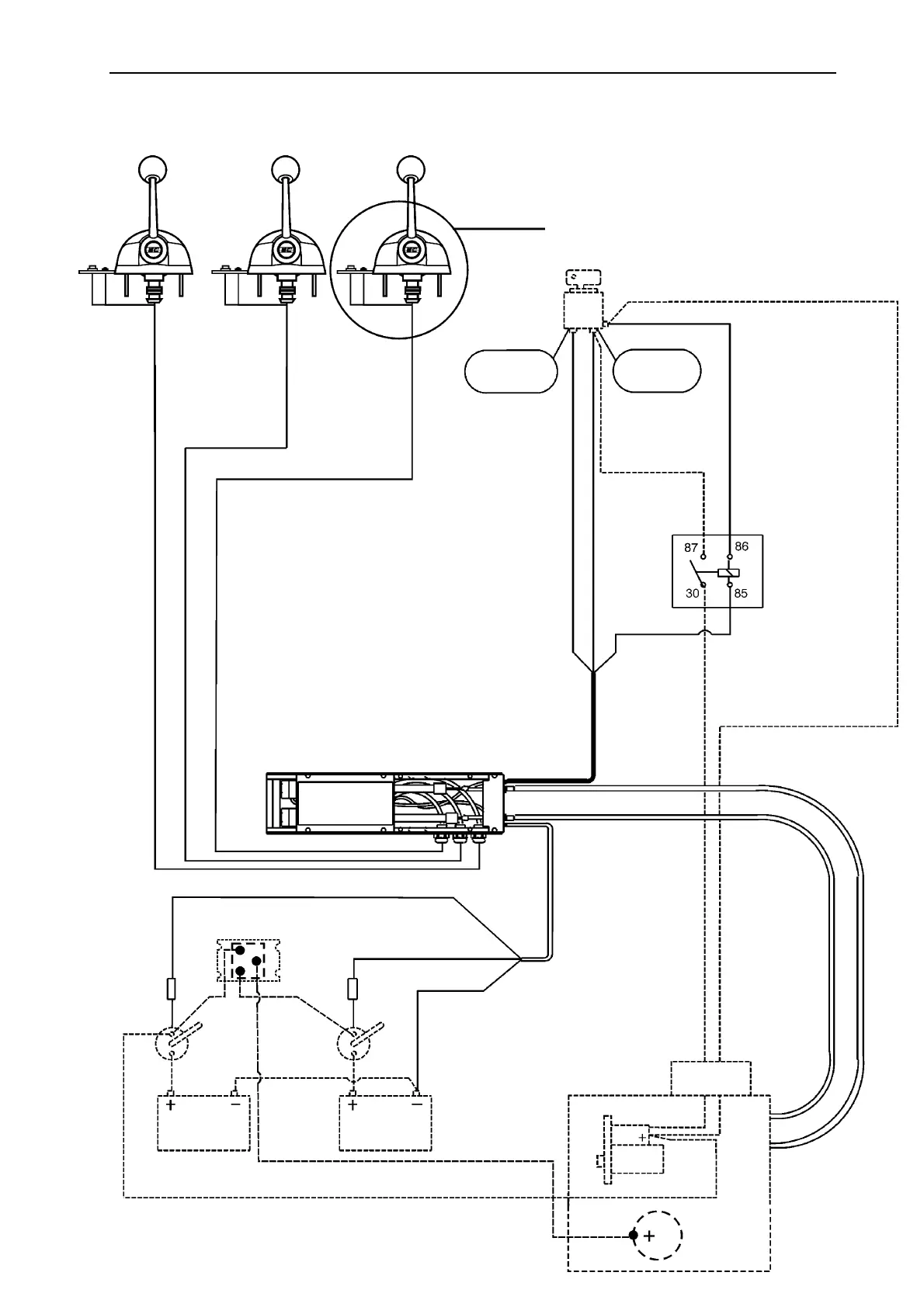
ESQUEMA DE CONEXIONES, INSTALACIÓN DE MOTOR SIMPLE
Mandos1,2,3
Ver la fig. 4
Llave de
encendido
Nº 9 Cond. pos.(+)
Posición de
funcionamiento
(+)
Posición de
arranque
(+)
Nº 8 Señal de
arranque
Nº 7 Continuo (+)
Relé para
arranque en
punto neutro
solamente
Nº 4 ROJO
Nº 5 AZUL
Nº 6
AMARILLO (-)
NEGRO
U. electrónica/U. motriz
GRIS
Nº 1 ROJO Main pos.(+)
Nº 2 ROJO/BLANCO
Backup pos.(+)
Disyuntor
Nº 3 NEGRO
Neg. (-)
Interruptor
principal
Interruptor
principal
Batería de
arranque
Batería de
mantenim.
Nº 10 Alimentación principal a motor de arranque, pos.(+)
Solenoide
Motor de arranque
Caja de
conexiones,
motor
Nº 8 Señal de arranque
Cable del acelerador
Cable de engranajes
Todas las líneas ininterrumpidas indican instalación del Sistema de
Control Electrónico de Volvo Penta.
Todas las líneas punteadas indican otros equipos de la embarcación.
Disyuntor
Instrucciones de instalación
Alternador
Distribuidor de
carga
Motor
Nº 11 (-)

Table of Contents

Related product manuals