EasyManua.ls Logo

Wacker Neuson G 240 - Schematics, Machines with Basler Controller; AC Schematic: G 230;G 240

Wacker Neuson G 240
254 pages
Print Icon
To Next Page IconTo Next Page
To Next Page IconTo Next Page
To Previous Page IconTo Previous Page
To Previous Page IconTo Previous Page
Loading...
Schematics, Machines with Basler Controller G 230 / G 240
220
wc_tx003749gb_FM10.fm
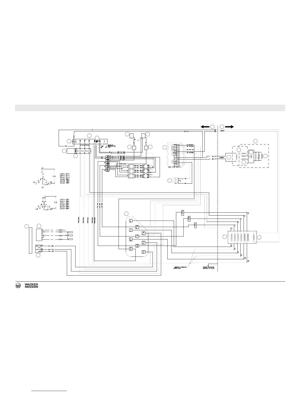
26 Schematics, Machines with Basler Controller
26.1 AC Schematic: G 230/G 240
wc_gr011988
CT
CT
-
-
3
3
6
6
CT
CT
-
-
36
36
A
A
CT
CT
-
-
3
3
3
3
O
O
R
R
WH
WH
T
T
3
3
3
3
B
B
R
R
Y
Y
E
E
6
6
6
6
7
7
7
7
7
7
7
7
C
C
T
T
C
C
T
T
C
C
T
T
CT
CT
CT
CT
CT
CT
1
2
6
3
5
4
7
8
10
12
14
13
15
18
17
20
23
24
25
21
19
22
16
8
9
9
11
10
10
20
20

Table of Contents

Other manuals for Wacker Neuson G 240