EasyManua.ls Logo

Wacker Neuson G 240 - Operation, Control, and Component Locations; Control; Component Locations

Wacker Neuson G 240
254 pages
Print Icon
To Next Page IconTo Next Page
To Next Page IconTo Next Page
To Previous Page IconTo Previous Page
To Previous Page IconTo Previous Page
Loading...
wc_tx003617gb_FM10.fm
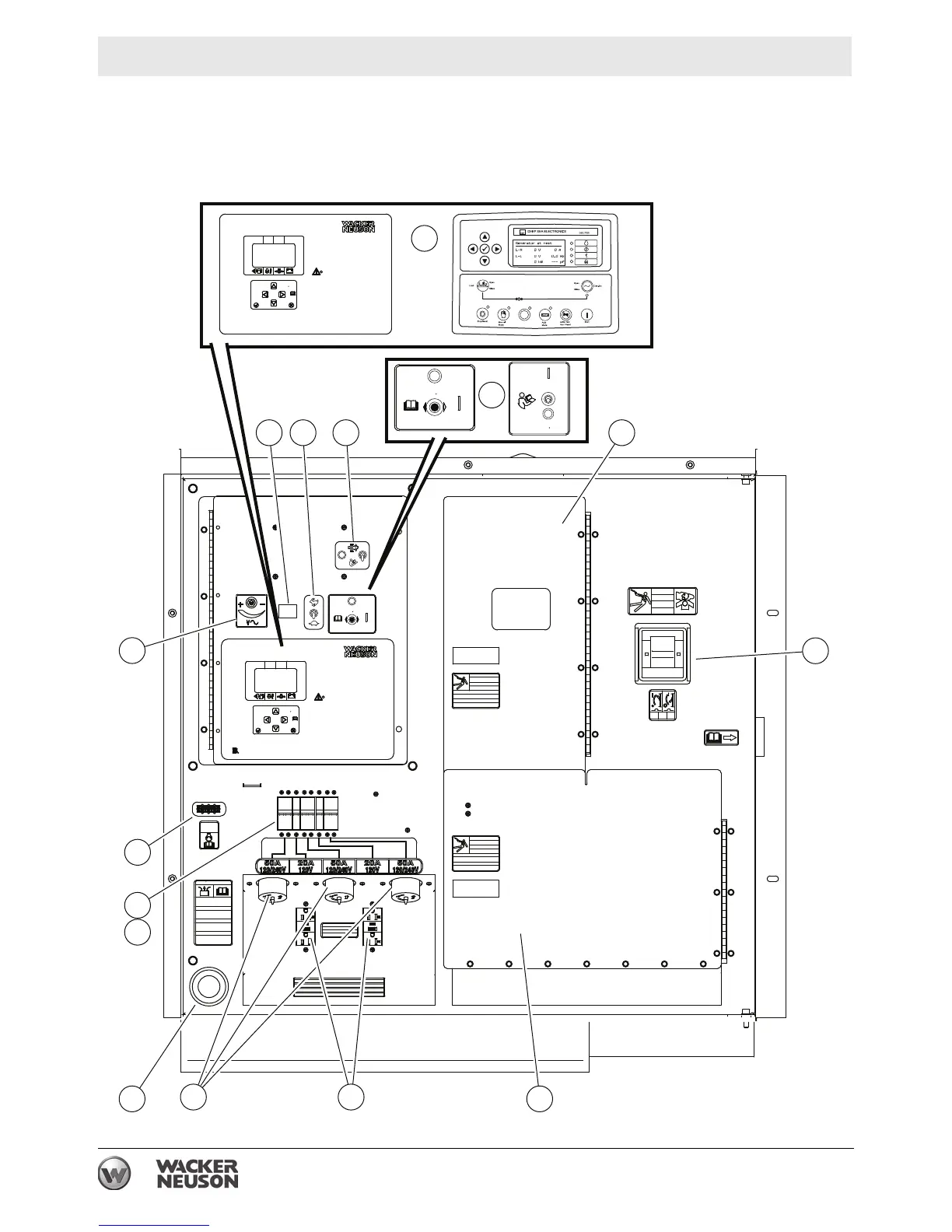
52
Operation, Control, and Component Locations
6 Operation, Control, and Component Locations
6.1 Control / Component Locations
wc_gr011509
e
A
Ø
HZ
V
R
Basler
DIAGNOSTICS
DIAGNOSEN
DIAGNOSTICOS
DIAGNOSTICS
AUSAUS
APAGADOAPAGADO
ARRETARRET
OFFOFF
REMOTE STARTREMOTE START
FERNSTARTFERNSTART
ARRANQUE REMOTOARRANQUE REMOTO
DEMARRAGE A DEMARRAGE A
DISTANCEDISTANCE
START / LAUFENSTART / LAUFEN
ARRANQUE / MARCHAARRANQUE / MARCHA
DEMARRER / MARCHEDEMARRER / MARCHE
START / RUNSTART / RUN
AUSAUS
APAGADOAPAGADO
ARRETARRET
OFFOFF
REMOTE STARTREMOTE START
FERNSTARTFERNSTART
ARRANQUE REMOTOARRANQUE REMOTO
DEMARRAGE A DEMARRAGE A
DISTANCEDISTANCE
START / LAUFENSTART / LAUFEN
ARRANQUE / MARCHAARRANQUE / MARCHA
DEMARRER / MARCHEDEMARRER / MARCHE
START / RUNSTART / RUN
A
Ø
HZ
V
DIAGNOSTICS
DIAGNOSEN
DIAGNOSTICOS
DIAGNOSTICS
b
c v
f
j
d
a
o
h
k
m n
up
AUSAUS
APAGADOAPAGADO
ARRETARRET
OFFOFF
START / LAUFENSTART / LAUFEN
ARRANQUE / MARCHAARRANQUE / MARCHA
DEMARRER / MARCHEDEMARRER / MARCHE
START / RUNSTART / RUN
STOP

Table of Contents

Other manuals for Wacker Neuson G 240