EasyManua.ls Logo

WEG CFW-10 - Page 16

WEG CFW-10
110 pages
Print Icon
To Next Page IconTo Next Page
To Next Page IconTo Next Page
To Previous Page IconTo Previous Page
To Previous Page IconTo Previous Page
Loading...
16
CHAPTER 2 - GENERAL INFORMATION
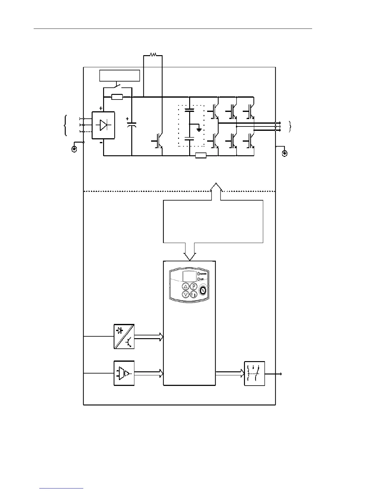
Figure 2.2 - CFW-10 Block Diagram for model 7.3 A and 10.0 A/200-240 V (single-phase)
and 10.0 A and 15.2 A/200-240 V (three-phase)
Power
Supply
L/L1
PE
Analog
Input
(AI1)
Digital
Inputs
(DI1 to DI4)
POWER
CONTROL
POWER SUPPLY FOR
ELETRONICSAND INTERFACE
BETWEEN POWERAND CONTROL
"CCP10"
CONTROL
BOARD
WITH DSP
Relay
Output
(RL1)
Motor
U
V
W
Rsh
+UD
RFI Filter
N/L2
BR
Braking Resistor
(Optional)
Pre-Charge
L3

Table of Contents

Other manuals for WEG CFW-10

Related product manuals