EasyManua.ls Logo

WEG CFW-10 - Page 18

WEG CFW-10
110 pages
Print Icon
To Next Page IconTo Next Page
To Next Page IconTo Next Page
To Previous Page IconTo Previous Page
To Previous Page IconTo Previous Page
Loading...
18
CHAPTER 2 - GENERAL INFORMATION
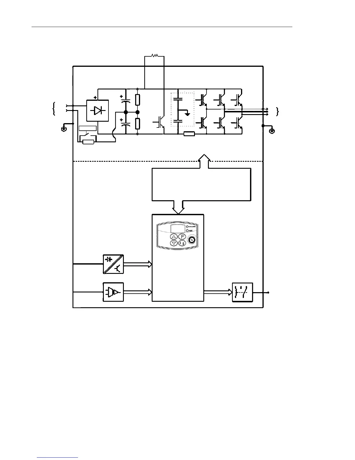
Figure 2.4 - CFW-10 Block Diagram for model 4.0 A /110-127 V
Power
Suplly
L/L1
Analog
Input
(AI1)
Digital
Inputs
(DI1 to DI4)
POWER
CONTROL
POWER SUPPLY FOR
ELETRONICSAND INTERFACE
BETWEEN POWERAND CONTROL
"CCP10"
CONTROL
BOARD
WITH DSP
Relay
Output
(RL1)
Motor
U
V
W
Rsh
PE
PE
RFI Filter
N/L2
+UD BR
Braking Resistor
(Optional)
Pre-Charge

Table of Contents

Other manuals for WEG CFW-10

Related product manuals