EasyManua.ls Logo

WEG CFW-10 - Page 57

WEG CFW-10
110 pages
Print Icon
To Next Page IconTo Next Page
To Next Page IconTo Next Page
To Previous Page IconTo Previous Page
To Previous Page IconTo Previous Page
Loading...
57
CHAPTER 6 - DETAILED PARAMETER DESCRIPTION
NOTE!
DIs ON (status 1) when connected to 0 V (XC1:5).
When F* < 0 one takes the module of F* and reverses the direction
of rotation (if this is possible - P231 = 2 and if the selected control
is not forward run/reverse run.
Keypad
Reference
(P121)
P124 to P131
P265 = 7/8
P266 = 7/8
MULTISPEED
DI4
DI3
DI2
1
2
3
4
5
6
7
8
9
10
11
12
6 - Multispeed
0 - Keypad
Frequency Reference
Selection
P221 or P222
F*
P131
P130
P129
P128
P127
P126
P125
P124
000 001 010 011 100 101 110 111
0 V
HMI
DI1
P263 = 7/8
P264 = 7/8
Accel.
Enable Function
Dec el.
Inverter
Desabled
ELETRONIC POTENTIOMETER (EP)
4 to 20 mA
AI1
P235
P234
P134
P236
1 - AI1
Digital
References
Analog
References
100 %
P235 = 0
P235 = 1
0
2 V/4 mA 10 V/20 mA
Reset
0 to 10 V
+10 V
0 V
P263 to P266 = 16/18
P263 to P266 = 17/19
P271
7 - Input
Frequency
3 - HMI
Potentiometer
HMI
Potentiometer
Reference
2 - EP
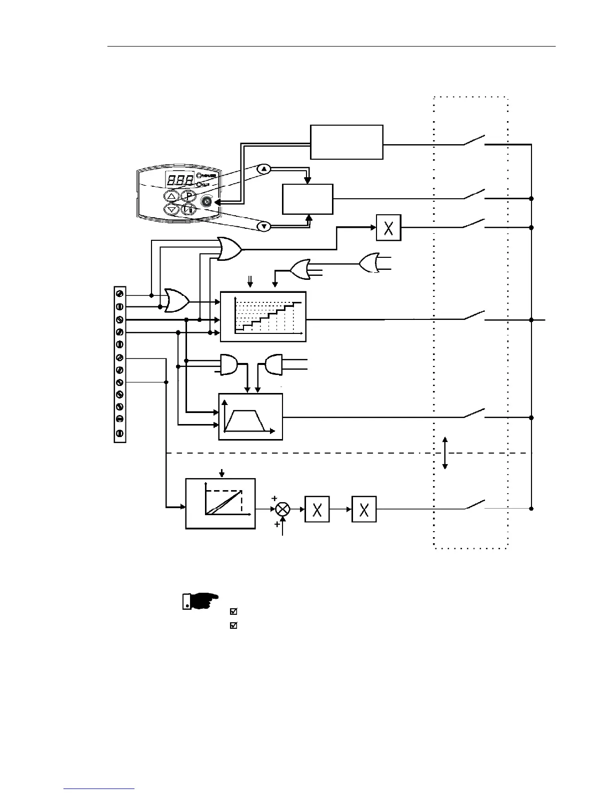
Figure 6.1 - Block diagram of the frequency reference

Table of Contents

Other manuals for WEG CFW-10

Related product manuals