EasyManua.ls Logo

WEG CFW-10 - Page 58

WEG CFW-10
110 pages
Print Icon
To Next Page IconTo Next Page
To Next Page IconTo Next Page
To Previous Page IconTo Previous Page
To Previous Page IconTo Previous Page
Loading...
58
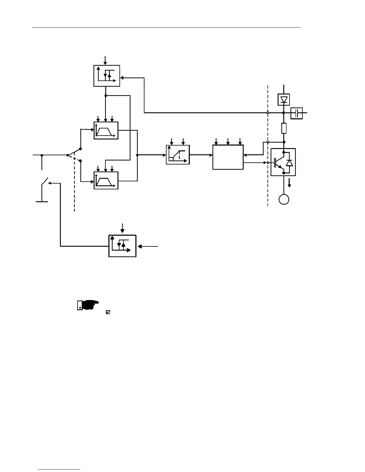
CHAPTER 6 - DETAILED PARAMETER DESCRIPTION
NOTE!
In V/F control mode (P202 = 0 or 1), Fe = F* (see Fig. 6.1) if P138 = 0
(slip compensation disabled). If P138 0, see figure 6.9 for the
relation between Fe and F*.
Figure 6.2 - Inverter block diagram
Fe
Command via
Digital Input
(DI)
Acceleration and
Deceleration
Ramp 2
Acceleration
and Deceleration
Ramp
P102
P103
P100
P101
DC Link
Regulation
P151
U
d
P133 P134
Frequency
Reference
Limits
P202
P295
Inverter
Control
(V/F or
Vector)
P136, P137,
P138, P142,
P145
PWM
P169
I
s
Output
Current
Limiting
I
U
d
Po wer
Supply
IM
3Ø
I
s
P169
V
s
P151

Table of Contents

Other manuals for WEG CFW-10

Related product manuals