EasyManua.ls Logo

WEG CFW08 Vector inverter Plus - Page 20

WEG CFW08 Vector inverter Plus
167 pages
Print Icon
To Next Page IconTo Next Page
To Next Page IconTo Next Page
To Previous Page IconTo Previous Page
To Previous Page IconTo Previous Page
Loading...
19
GENERAL INFORMATION
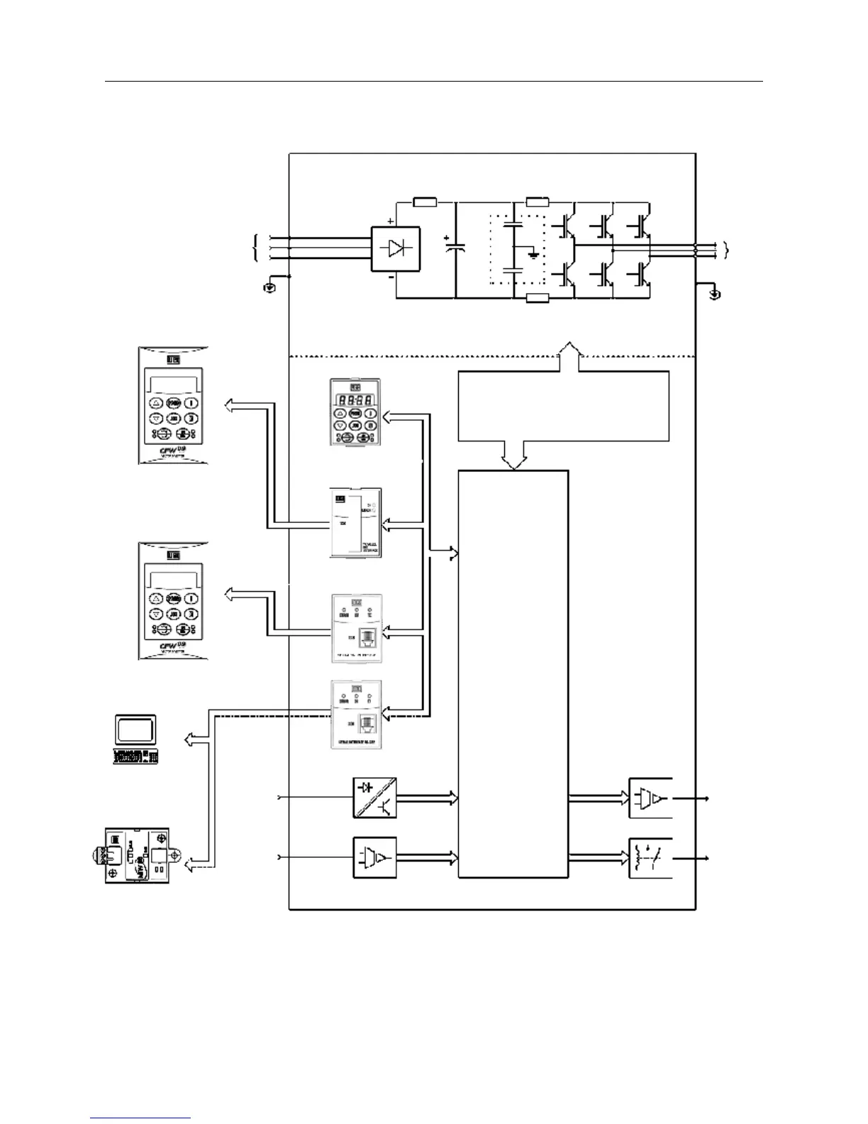
Figure 2.1 - Block diagram for the models:
1.6-2.6-4.0-7.0A/200-240V and 1.0-1.6-2.6-4.0A/380-480V
Power
Supply
R
S
T
P E
PC-Software
SuperDrive
or
RS-485
MIW-02
Analog
Inputs
(AI1 and
AI2)
Digital
Inputs
(DI1 to DI4)
POWER
CONTROL
POWER SUPPLIES AND
CONTROL / POWER INTERFACES
"ECC2"
CONTROL BOARD
WITH DSP
Analog
Output
(AO)
Relay
Output
(RL1 and
RL2)
Motor
U
V
W
Rsh2
Rsh1
NTC
PE
RFI Filter
Interface
RS-232 KCS-CFW08
Interface
MIS-CFW08-RS
HMI-CFW08-P
Interface
MIP-CFW08-RP
or
or
or
HMI-CFW08-RS
HMI-CFW08-RP

Table of Contents

Related product manuals