EasyManua.ls Logo

Wolf BWL-1S-07 - System Configuration 12 (Bsh-800;1000)

Wolf BWL-1S-07
120 pages
Print Icon
To Next Page IconTo Next Page
To Next Page IconTo Next Page
To Previous Page IconTo Previous Page
To Previous Page IconTo Previous Page
Loading...
3064298_201805 77
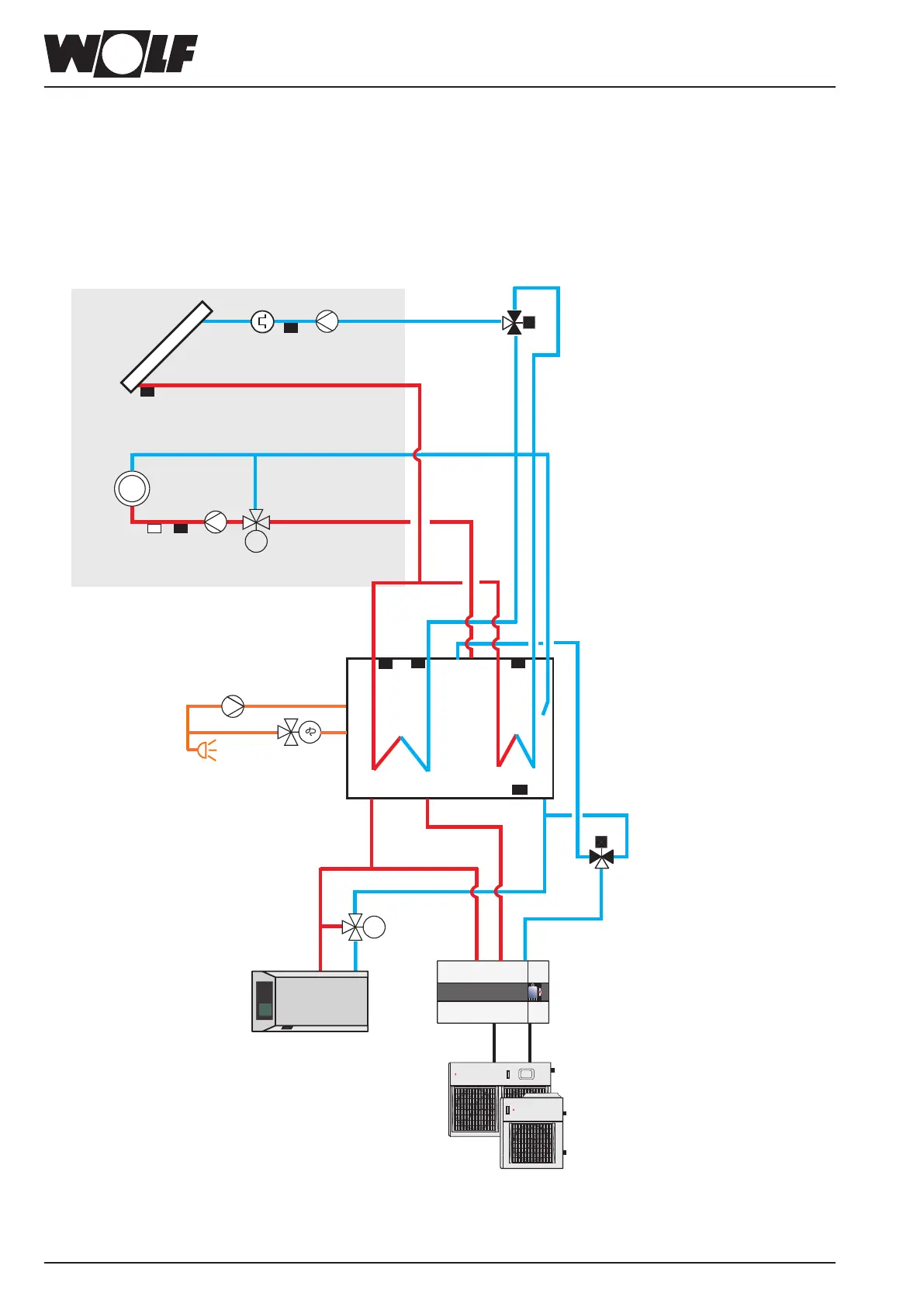
Systemcongurations
29.2.6 Systemconguration12(BSH-800/1000)
BWL-1S(B)
Splitair/waterheatpump
BSH-800/1000
Solidfuelboiler
CircuitwithmixerextensionwithMM
SolarcircuitextensionwithSM1/SM2
DHWheating
M
M
Circuit with mixer
MCP
MaxTh
VF
MM
A 3-way diverter valve for
central heating/DHW and
a feed/heating circuit pump
are integrated into the
indoor module
Indoor module
Outdoor module
SFK
SKP
DFG
RLF
DHW
SF
SFS
Extension options
Solid fuel boiler
E3
BSH 800/1000
SAF
3-way diverter valve
heating/DHW
3-way diverter valve
Important information:
In this schematic diagram, shut-off valves, air vent valves and safety equipment are not fully represented.
These should be provided for each system individually, in line with the applicable standards and regulations.
Hydraulic and electrical data can be found in the hydraulic system solutions technical guide.

Table of Contents

Other manuals for Wolf BWL-1S-07

Related product manuals