Home
Xilinx
Motherboard
KCU116
Page 78
Xilinx KCU116 - Page 78
88 pages
Manual
Save Page as PDF
To Next Page
To Next Page
To Previous Page
To Previous Page
Loading...
K
CU116 Board Us
er Guide
78
UG1239 (v1.2) Sept
ember 28, 2018
www
.xilinx.com
Chapter
3:
Board Component
Descriptions
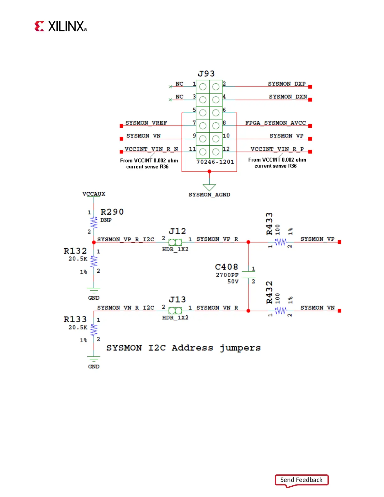
Figure
3-31
shows the header
connections.
X-Ref Target - Figure 3-31
Figure
3
‐
31:
SYSM
ON
H
ea
d
er
J9
3
X18540-042017
S
e
n
d
F
e
e
d
b
a
c
k
77
79
Table of Contents
Main Page
Default Chapter
2
Revision History
2
Table of Contents
3
Chapter 1: Introduction
5
Overview
5
Additional Resources
5
Block Diagram
6
Board Features
6
Board Specifications
8
Dimensions
8
Environmental
8
Operating Voltage
8
Chapter 2: Board Setup and Configuration
9
Electrostatic Discharge Caution
9
Board Component Location
9
Default Switch and Jumper Settings
12
Switches
12
Jumpers
13
Installing the KCU116 Board in a PC Chassis
14
FPGA Configuration
15
Chapter 3: Board Component Descriptions
16
Overview
16
Component Descriptions
16
Kintex Ultrascale+ XCKU5P-2FFVB676E Device
16
DDR4 Component Memory
19
Dual Quad SPI Flash Memory
23
Micro-SD Card Interface
25
USB JTAG Interface
26
FMC Connector JTAG Bypass
27
Clock Generation
28
System Clock
29
Programmable MGT User Clock
31
User SMA Clock
32
Jitter Attenuated Clock
33
Video Clock
34
GTY Transceivers
35
PCI Express Endpoint Connectivity
41
Zsfp/Zsfp+ Module Connectors
42
10/100/1000 Mb/S Tri-Speed Ethernet PHY
46
Ethernet PHY Status Leds
48
Dual USB-To-UART Bridge
49
HDMI Video Output
51
I2C Bus
54
Status and User Leds
57
User I/O
58
User GPIO Leds
59
User Pushbuttons
60
User SMA GPIO
61
CPU Reset Pushbutton
62
GPIO DIP Switch
63
User Pmod GPIO Headers
64
Switches
65
Program_B Pushbutton Switch
67
FPGA Mezzanine Card Interface
68
FMC HPC Connector J5
68
KCU116 Board Power System
74
SYSMON Header J93
76
System Controller
79
Appendix A: VITA 57.1 FMC Connector Pinout
81
Overview
81
Appendix B: Xilinx Constraints File
82
Overview
82
Appendix C: Regulatory and Compliance Information
83
Overview
83
CE Directives
83
CE Standards
83
Electromagnetic Compatibility
83
Safety
84
Markings
84
Appendix D: Additional Resources and Legal Notices
85
Xilinx Resources
85
Solution Centers
85
Documentation Navigator and Design Hubs
85
References
86
Please Read: Important Legal Notices
88
Related product manuals
Xilinx KCU105
143 pages
Xilinx KC705
117 pages
Xilinx Kintex-7 FPGA KC705
40 pages
Xilinx ZC706
115 pages
Xilinx ZCU104
92 pages
Xilinx Arty A7
26 pages
Xilinx Virtex-4
176 pages
Xilinx Zynq-7000
678 pages
Xilinx Zynq-7000 ZC702
4 pages
Xilinx Artix-7 FPGA AC701
40 pages
Xilinx Spartan-6 FPGA Series
72 pages
Xilinx Platform Cable USB II
35 pages