EasyManua.ls Logo

Xilinx KCU116 - Micro-SD Card Interface

Xilinx KCU116
88 pages
Print Icon
To Next Page IconTo Next Page
To Next Page IconTo Next Page
To Previous Page IconTo Previous Page
To Previous Page IconTo Previous Page
Loading...
KCU116 Board User Guide 25
UG1239 (v1.2) September 28, 2018 www.xilinx.com
Chapter3: Board Component Descriptions
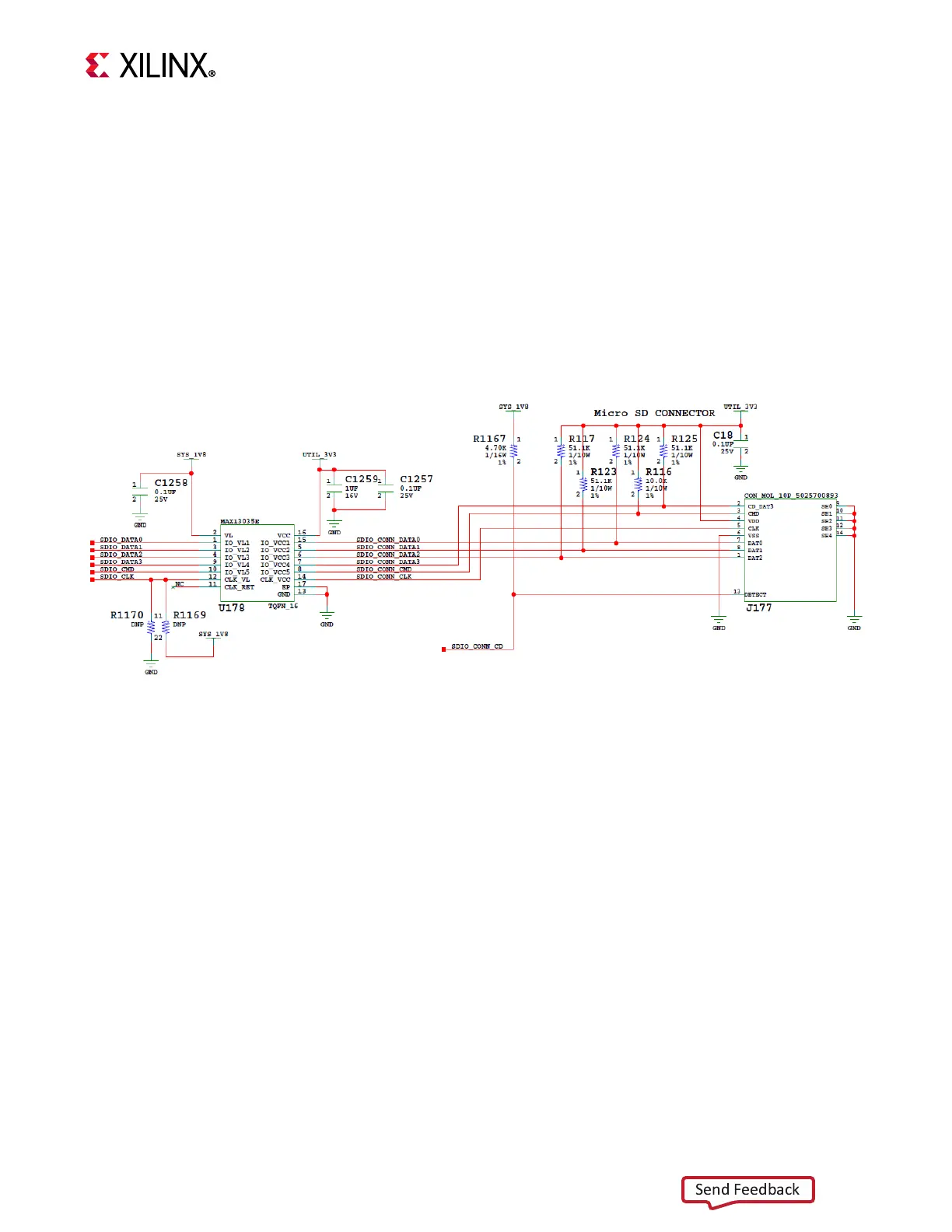
MicroSD Card Interface
[Figure 2-1, callout 4]
The KCU116 board includes a secure digital input/output (SDIO) interface allowing the U161
XC7Z010 Zynq
®
-7000 SoC system controller access to general purpose nonvolatile
micro-SD memory cards and peripherals. The micro-SD card slot is designed to support
50 MHz high speed micro-SD cards. The SDIO signals are connected to U161 XC7Z010
Zynq-7000 SoC system controller bank 500, which has its V
CCO
set to SYS_1V8 1.8V. A
MAX13035E level shifter is used between the XC7Z010 system controller (U161), and the
micro-SD card connector (J177). Figure 3-4 shows the connections of the SD card interface
on the KCU116 board.
X-Ref Target - Figure 3-4
Figure34: SD Connector Circuit
X18288-120916
Send Feedback

Table of Contents

Related product manuals