EasyManua.ls Logo

Yamaha F100B - Page 268

Yamaha F100B
345 pages
Print Icon
To Next Page IconTo Next Page
To Next Page IconTo Next Page
To Previous Page IconTo Previous Page
To Previous Page IconTo Previous Page
Loading...
BRKT
Bracket unit
7-61
60C5D11
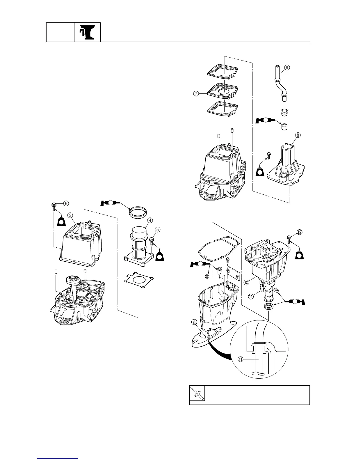
3. Install the oil pan
3
and then tighten the
bolts finger tight.
4. Install the exhaust manifold
4
and bolts,
and then tighten the bolts finger tight.
5. Tighten the exhaust manifold bolts
5
,
then the oil pan bolts
6
.
6. Install the plate
7
and the muffler
8
into
the oil pan.
7. Install the water pipe
9
.
8. Install the muffler assembly
0
by insert-
ing the tip of the water pipe
A
into the
joint hole
a
of the upper case.
9. Install the muffler assembly bolts
B
, and
then tighten them to the specified torque.
S60C7085
LT
572
LT
572
LT
572
LT
572
AA
T
R
.
.
Muffler assembly bolt
B
:
20 N·m (2.0 kgf·m, 14 ft·lb)
S60C7210
LT
572
LT
572
AA
S60C7215
AA
A
LT
572
LT
572

Table of Contents

Other manuals for Yamaha F100B

Related product manuals