EasyManua.ls Logo

Yamaha F100B - Fuel Line and Fuel Filter

Yamaha F100B
345 pages
Print Icon
To Next Page IconTo Next Page
To Next Page IconTo Next Page
To Previous Page IconTo Previous Page
To Previous Page IconTo Previous Page
Loading...
FUEL
Fuel system
4-3
60C5D11
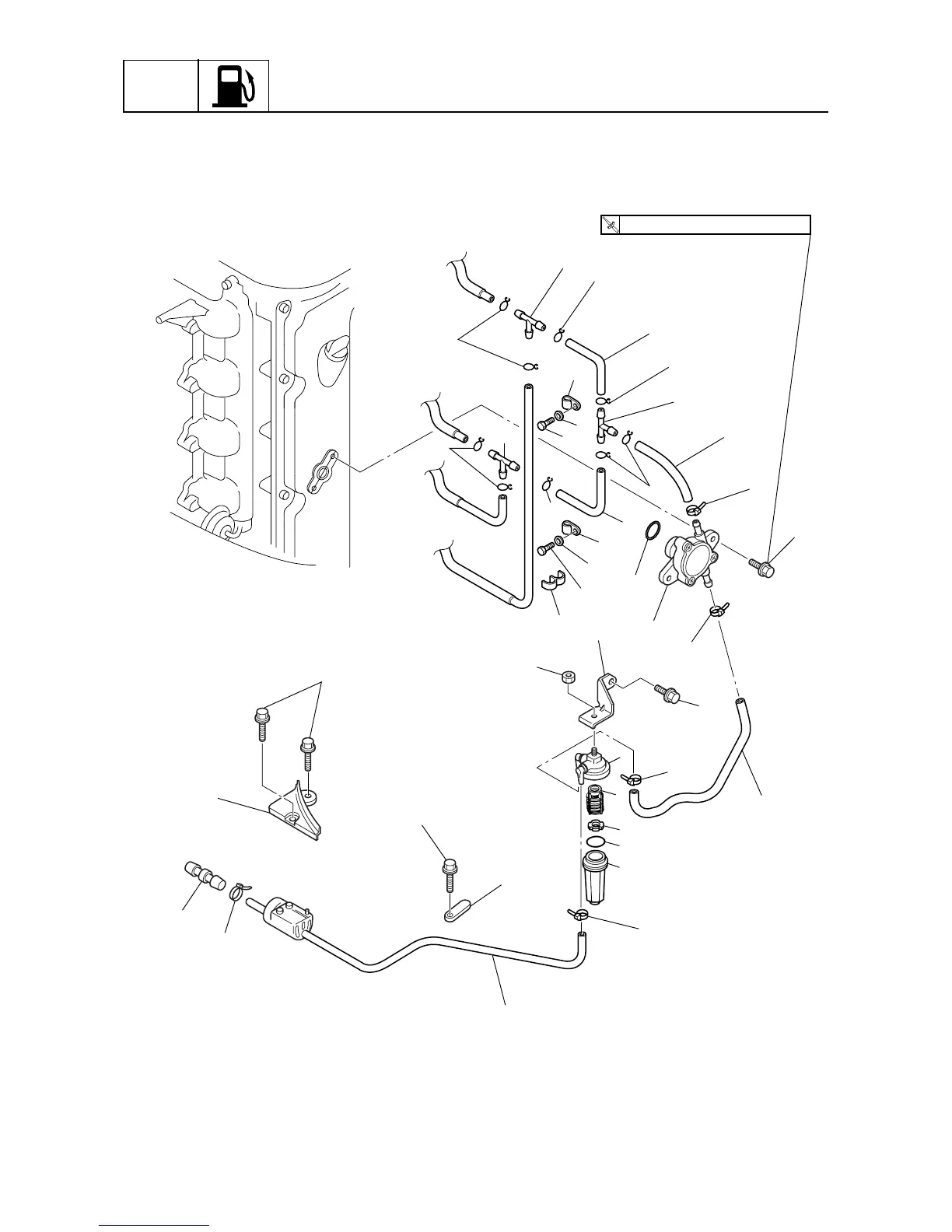
Fuel line and fuel filter
4
S60C4030
8
8
11
10
9
7
7
14
15
7
7
13
8
7
7
13
11
10
9
16
12
26
27
25
24
23
29
28
15
2
19
20
17
1
15
18
21
22
3
4
5
6
T
R
.
.
10 N
m (1.0 kgf
m, 7.2 ft
Ib)

Table of Contents

Other manuals for Yamaha F100B

Related product manuals