EasyManua.ls Logo

Yamaha F100B - Clamp Brackets (F100 C)

Yamaha F100B
345 pages
Print Icon
To Next Page IconTo Next Page
To Next Page IconTo Next Page
To Previous Page IconTo Previous Page
To Previous Page IconTo Previous Page
Loading...
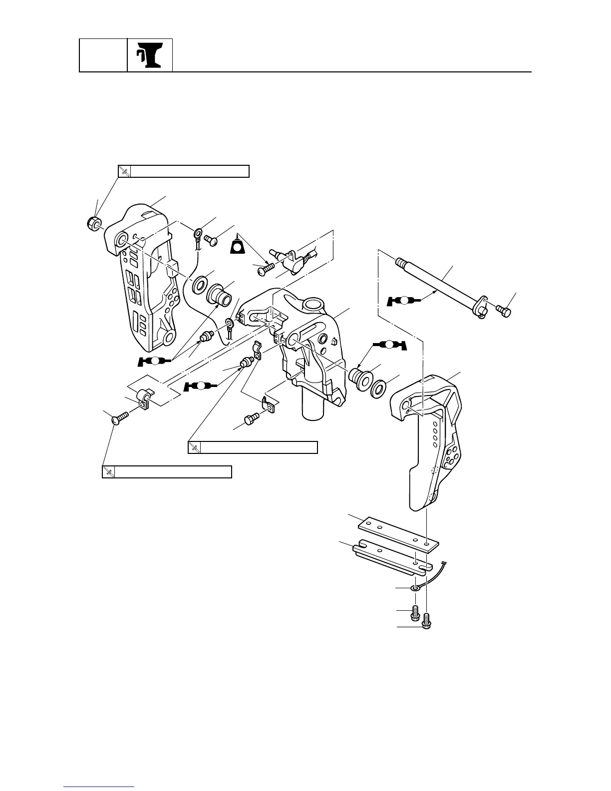
BRKT
Bracket unit
7-65
60C5D11
Clamp brackets (F100C)
7
S60C7260
4
22
21
12
13
7
7
8
8
6
5
2
3
11
9
10
15
14
1
16
17
18
19
20
5
LT
572
LT
572
A
AA
11
T
R
.
.
15 N
m (1.5 kgf
m, 11 ft
Ib)
T
R
.
.
3 N
m (0.3 kgf
m, 2.2 ft
Ib)
T
R
.
.
2 N
m (0.2 kgf
m, 1.4 ft
Ib)
AA
AA

Table of Contents

Other manuals for Yamaha F100B

Related product manuals