EasyManua.ls Logo

Yamaha MX775 - ELECTRIC STARTING SYSTEM

Yamaha MX775
188 pages
Print Icon
To Next Page IconTo Next Page
To Next Page IconTo Next Page
To Previous Page IconTo Previous Page
To Previous Page IconTo Previous Page
Loading...
5-37
1
2
3
4
5
6
7
8
9
10
ELECTRICAL
ELECTRIC STARTING SYSTEM
ELECTRIC STARTING SYSTEM
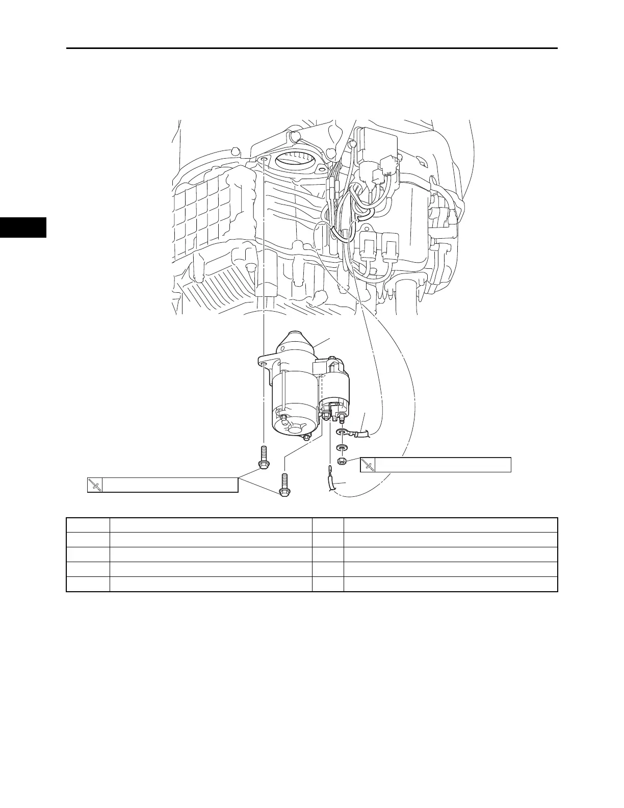
REMOVING THE STARTER MOTOR
Order Job/Parts to remove Q’ty Remarks
Removing the starter motor Remove the parts in the order listed.
1 Starter relay terminals 1 Disconnect.
2 Earth terminal 1 Disconnect.
3 Starter motor assembly 1
1
2
3
9 Nm (0.9 kgfm, 6.5 lbft)
23 Nm (2.3 kgfm, 17 lbft)

Table of Contents

Related product manuals