EasyManua.ls Logo

Yamaha MX775 - Page 184

Yamaha MX775
188 pages
Print Icon
To Next Page IconTo Next Page
To Next Page IconTo Next Page
To Previous Page IconTo Previous Page
To Previous Page IconTo Previous Page
Loading...
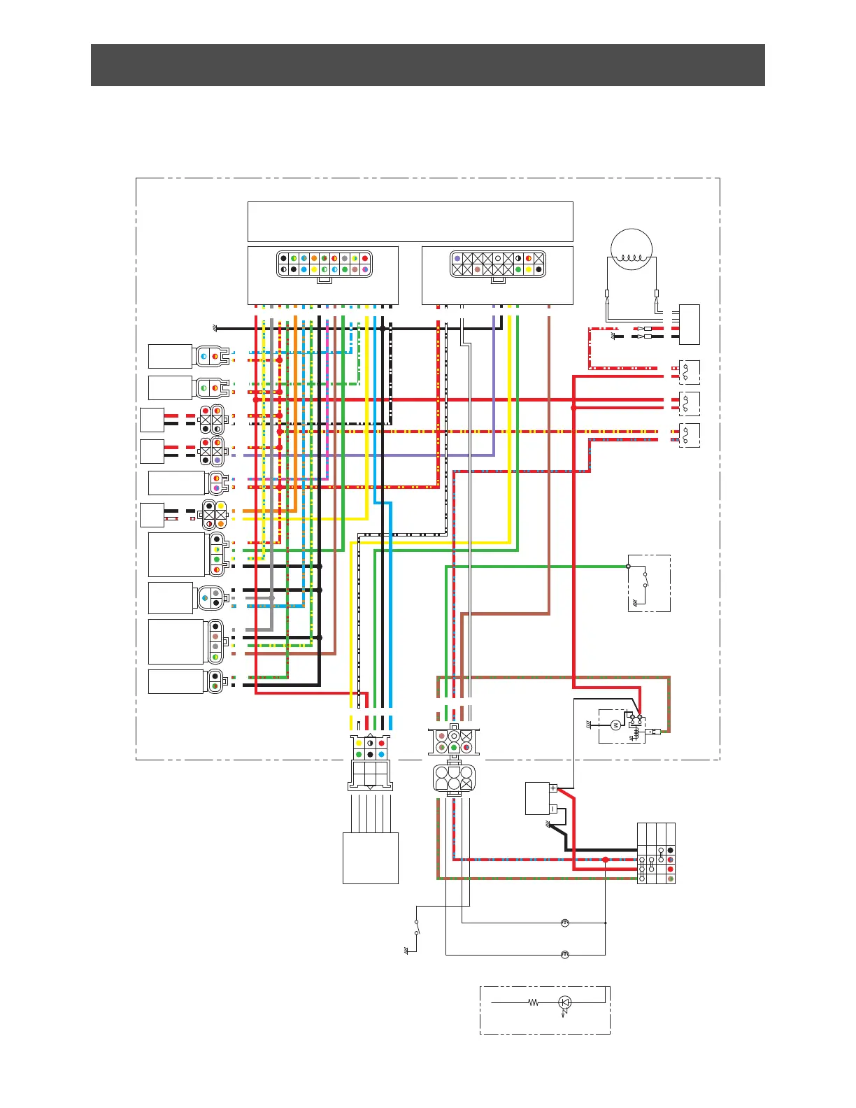
APPENDIX
CIRCUIT DIAGRAM
W/R
Y
V
Br
250Ω
LED
(B) (Gy)
R/L
W
G
Br/G
L
G
Y
B
G
Br
B
V
R
W/B
B
L
Y
B/W
B
L/W
P/L
W/B
W
G/W
L/W
G
Br
P/L
B
G/Y
O
G/R
Gy
R
B
Gy
R/L
B
G/R
B
O
R
B/W
B
G
R
Gy
B
G/Y
Br
G/W
R/W
R/W
B
B
R
B
R
W
W
Y
L/O
Y/L
L/O
R
R
Y/L
R/Y
R/Y
R/Y
R/Y
R/Y
R/Y
R/Y
R/Y
R/Y
30A 10A10A
OFF
ON
START
2
3
1
7
8
9
0
w
w
e
r
y
u
o
a
t
f
g
p
s
d
i
4
5
6
q

Table of Contents

Related product manuals