EasyManua.ls Logo

YASKAWA SGM-A3 - Page 268

YASKAWA SGM-A3
513 pages
To Next Page IconTo Next Page
To Next Page IconTo Next Page
To Previous Page IconTo Previous Page
To Previous Page IconTo Previous Page
Loading...
SERVO SELECTION AND DATA SHEETS
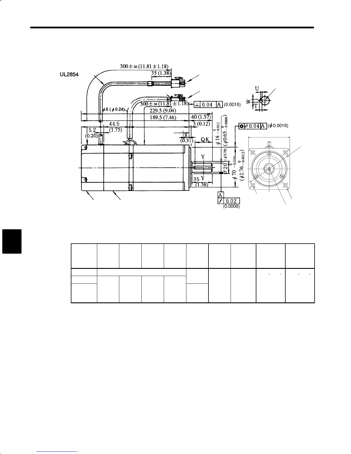
5.4.1 Servomotor Dimensional Drawings cont.
256
750 W (1.01 HP)
Encoder Lead
Encoder Plug
Motor Plug
Protective Tube
(Black)
Incremental Encoder
2048 P/R
Cross-section Y-Y
Holding Brake
(Deenergisation Operation)
Voltage: 90 VDC, Dissipated
current (Reference): 0.15 A
Brake Holding Torque= Motor Rated Torque
Brake
Lead
Motor Lead (Teflon wire) AWG22
UL1828 or UL3534
34 (1.34) 111 (4.37)
15 (0.59)
Screw
4-φ7(φ0.28)
MTG Holes
Shaft end screw hole
(SGM-
08
A316B,
with key type only)
80 (3.15)
4R8.2
φ90
(φ3.54)
Type
SGM-
QK U W T Screw
dimen-
sions
Output
W
(HP)
Approx.
mass
kg
(lb)
Allowable
radial
load
N (lb)
Allowable
thrust
load
N (lb)
08A312B No key
750
()
4.3
()
392 (88.1) 147 (33.0)
08A314B
30
()
3
()
5
()
5
()
(1.01) (9.48)
(
)
(
)
08A316B
(1.18) (0.12) (0.20) (0.20)
M5,
depth 8
(0.31)
Note 1) The detector uses an incremental encoder 2048 P/R.
2) Type “A” indicates 200 V specification.
3) “08A314B” and “08A316B” have a keyed shaft. The keyway complies with JIS B
1301-1976 (precision). A straight key is supplied.
4) The quoted allowable radial load is the value at a position 35 mm (1.38 in.) from the mo-
tor mounting surface.
5) The electromagnetic brake is only to hold the load in position and cannot be used to stop
the motor.
5

Table of Contents

Related product manuals