EasyManua.ls Logo

YASKAWA SGM-A3 - Page 503

YASKAWA SGM-A3
513 pages
To Next Page IconTo Next Page
To Next Page IconTo Next Page
To Previous Page IconTo Previous Page
To Previous Page IconTo Previous Page
Loading...
495
Single-phase 200 to 230VAC %, 50/60Hz
+10
-15
Line Filter
Power
OFF
ON
Servo Alarm
Torque Monitor: 3V/100%
Speed Monitor: 2V/1000r/min
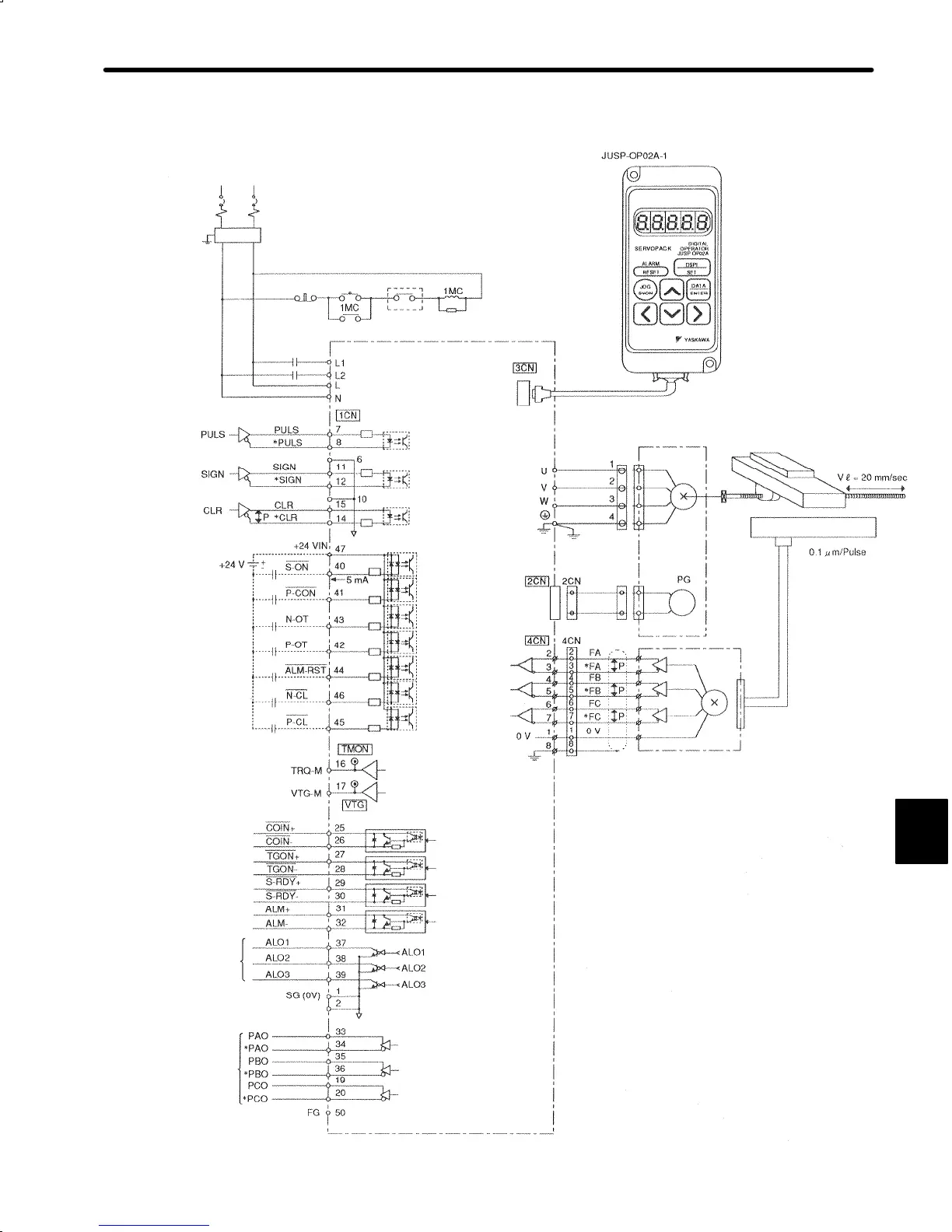
SGM
Servomotor
Linear Motion
Servo ON at ON
P Control at ON
Reverse Overtravel at OFF
Alarm Reset at ON
Reverse Current Limit at ON
Positioning Completed
TGON
(ON under the level)
Servo Ready
Alarm Output
(OFF at alarm occurrence)
Phase
-A
-B
-C
-S
Alarm Code Output
DR2 Servopack
For 100VAC Application
Single-phase 100 to 115VAC %, 50/60Hz
+10
-15
(OFF at Alarm)
Pulse Reference Receivable
DR2jjjCjF
(Handheld Type)
Ball Screw
= 2mm/rev
Linear Scale (LID311C)
Red
White
Blue
Green
I/O Signals
CW
PhaseA
CCW
PhaseB
Phase
A
Phase
B
Phase
C
Forward Overtravel at OFF
Forward Current Limit at ON
Output the position
detection signal.
DR2 Fullclosed Loop (Incremental Encoder)
Connection Diagram
0V
G

Table of Contents

Related product manuals