EasyManua.ls Logo

ABB ACS880-104

ABB ACS880-104
664 pages
To Next Page IconTo Next Page
To Next Page IconTo Next Page
To Previous Page IconTo Previous Page
To Previous Page IconTo Previous Page
Loading...
286 Parameters
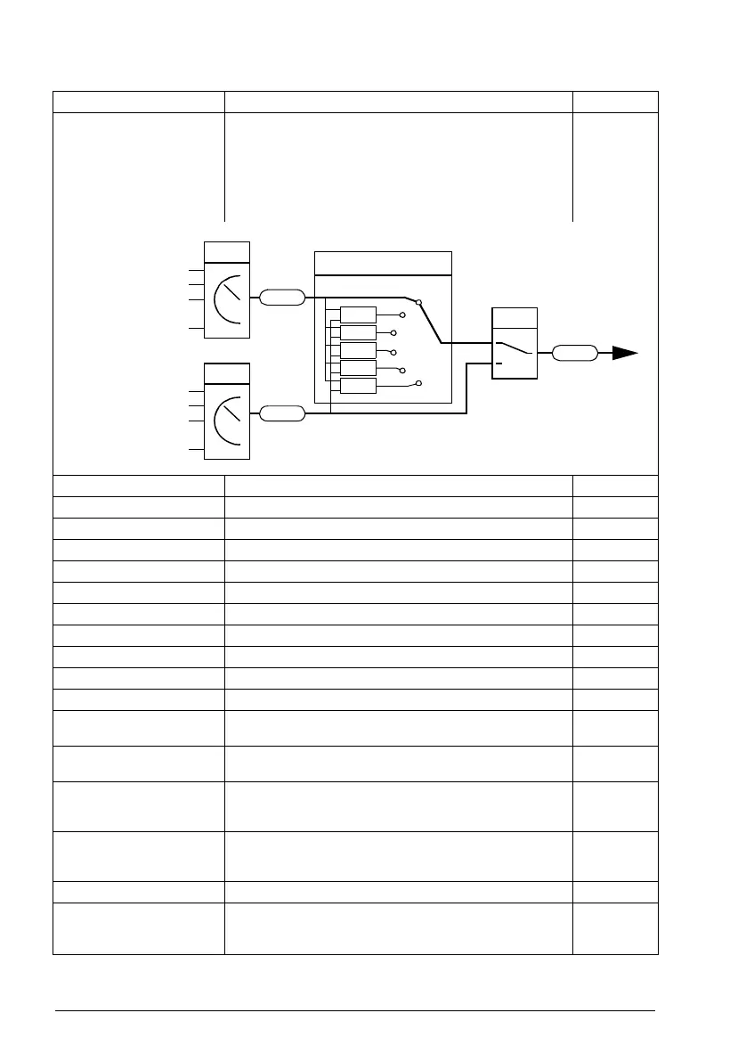
28.11 Frequency ref1
source
Selects frequency reference source 1.
Two signal sources can be defined by this parameter and
28.12 Frequency ref2 source. A digital source selected by
28.14 Frequency ref1/2 selection can be used to switch
between the two sources, or a mathematical function (28.13
Frequency ref1 function) applied to the two signals to create
the reference.
par. 09.21
Zero None. 0
AI1 scaled 12.12 AI1 scaled value (see page 197). 1
AI2 scaled 12.22 AI2 scaled value (see page 199). 2
FB A ref1 03.05 FB A reference 1 (see page 156). 4
FB A ref2 03.06 FB A reference 2 (see page 156). 5
EFB ref1 03.09 EFB reference 1 (see page 156). 8
EFB ref2 03.10 EFB reference 2 (see page 156). 9
DDCS ctrl ref1 03.11 DDCS controller ref 1 (see page 157). 10
DDCS ctrl ref2 03.12 DDCS controller ref 2 (see page 157). 11
M/F reference 1 03.13 M/F or D2D ref1 (see page 157). 12
M/F reference 2 03.14 M/F or D2D ref2 (see page 157). 13
Motor
potentiometer
22.80 Motor potentiometer ref act (output of the motor
potentiometer).
15
PID 40.01
Process PID output actual (output of the process PID
controller).
16
Control panel (ref
saved)
Control panel reference, with initial value from last-used panel
reference. See section Using the control panel as an external
control source (page 25).
18
Control panel (ref
copied)
Control panel reference, with initial value from previous
source or actual value. See section Using the control panel as
an external control source (page 25).
19
Other Source selection (see Terms and abbreviations on page 148). -
28.12 Frequency ref2
source
Selects frequency reference source 2.
For the selections, and a diagram of reference source
selection, see parameter 28.11 Frequency ref1 source.
Zero
No. Name/Value Description Def/FbEq16
28.14
1
0
28.13
MUL
SUB
ADD
28.11
28.12
28.92
28.90
28.91
0
AI
FB
Other
0
AI
FB
Other
Ref1
MIN
MAX

Table of Contents

Other manuals for ABB ACS880-104

Related product manuals