EasyManua.ls Logo

Amazone DMC 6000-2C - Hydraulics Diagram

Amazone DMC 6000-2C
162 pages
Print Icon
To Next Page IconTo Next Page
To Next Page IconTo Next Page
To Previous Page IconTo Previous Page
To Previous Page IconTo Previous Page
Loading...
Cleaning, maintenance and repairs
Primera
BAG0175.3 07.18
157
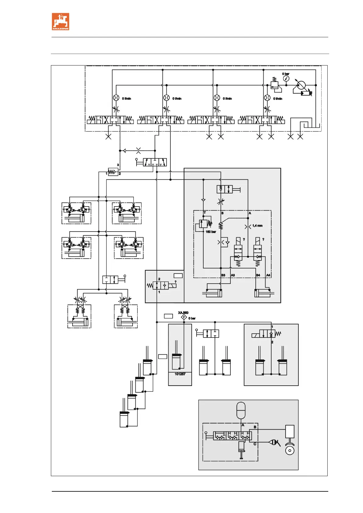
12.12 Hydraulics diagram

Table of Contents

Related product manuals