EasyManua.ls Logo

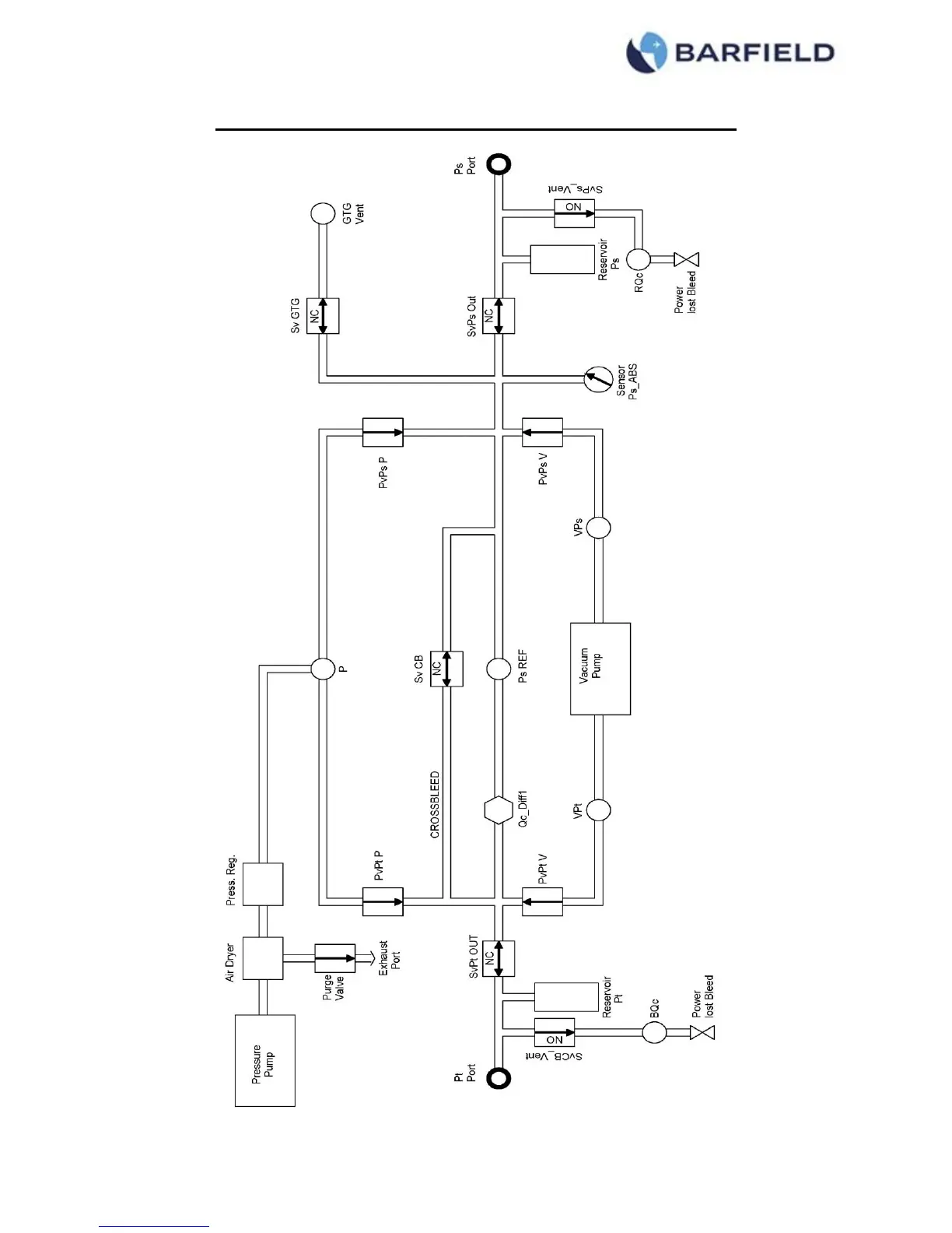
barfield DPS1000 - Appendix C: DPS1000 Internal Pneumatic Diagram; Pneumatic System Diagram

barfield DPS1000
121 pages
Print Icon
To Next Page IconTo Next Page
To Next Page IconTo Next Page
To Previous Page IconTo Previous Page
To Previous Page IconTo Previous Page
Loading...
Appendix C: DPS1000 Internal Pneumatic Diagram

Table of Contents

Related product manuals