EasyManua.ls Logo

baxter ARENA - Bypass System and Flow Sensor

baxter ARENA
293 pages
Print Icon
To Next Page IconTo Next Page
To Next Page IconTo Next Page
To Previous Page IconTo Previous Page
To Previous Page IconTo Previous Page
Loading...
Arena Service Manual
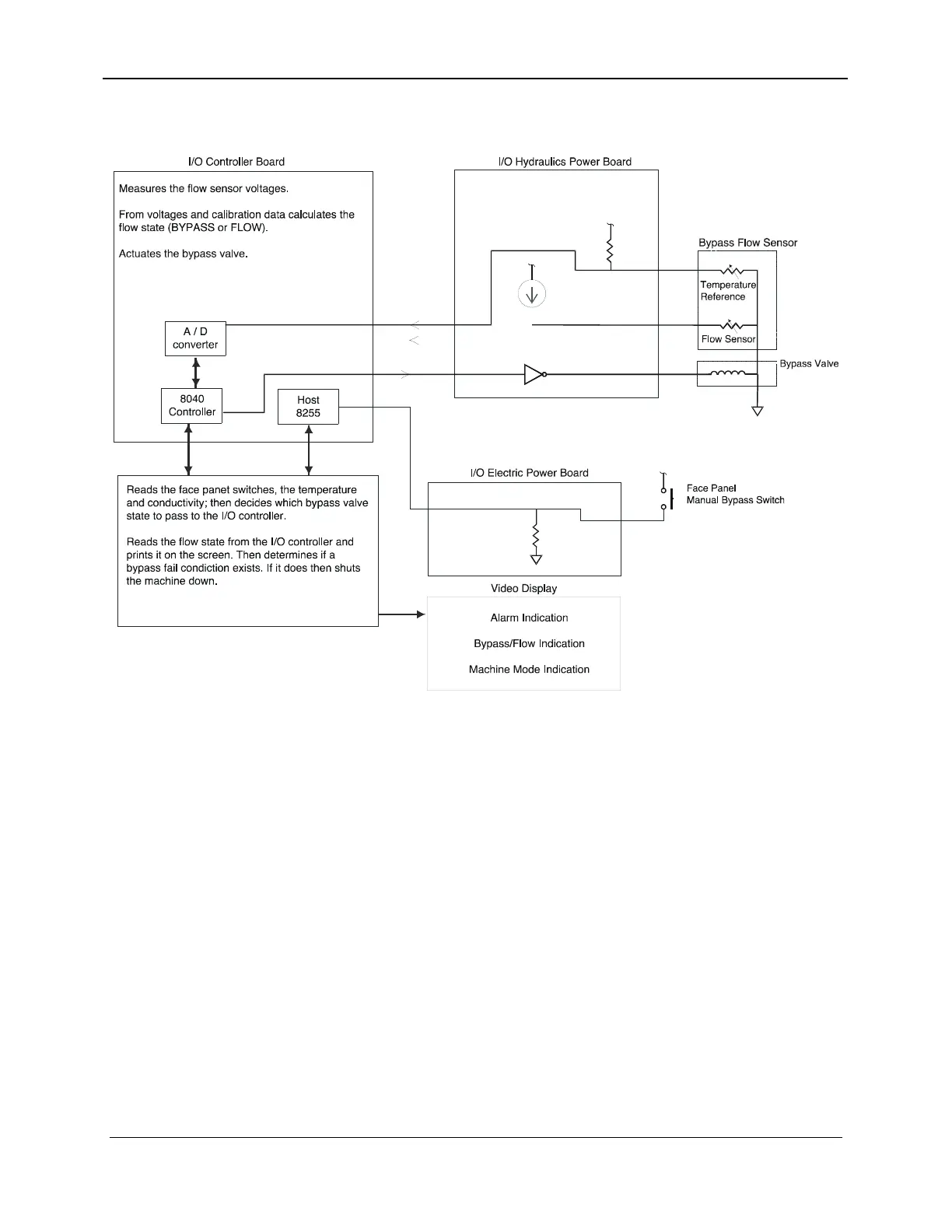
5.7.4 Bypass System and Flow Sensor
Single Board Computer
Figure 5-22. Bypass System
The Bypass Mode is initiated when a primary dialysate alarm is
detected by the I/O Controller board, when a redundant dialysate
alarm is detected by the UF-Proportioning Controller board, when
the host requests bypass, or when the manual bypass button is
pushed.
The bypass valve is in the bypass position when de-energized. It is
driven from the nominal +24 VDC supply with an on/off transistor
control on the I/O Hydraulics Power board.
To verify that there is not a failure in the bypass system, a flow
sensor just downstream of the predialyzer bypass valve checks for
flow. If flow exists during the bypass mode, a Bypass Fail Alarm
is set and the Instrument is put in the safe, nonfunctional,
Shutdown state. If there is no flow when not in the bypass mode, a
No (dialysate) Flow alarm is generated.
This flow sensor consists of two thermistors. The first is a
reference thermistor used to determine the fluid temperature. The
5-38 157-1278-912 Rev A
November 2003

Table of Contents

Related product manuals